无取向电工钢用磷酸盐系绝缘环保涂层的研制及性能研究
1.
2.
Development and Performance of Phosphate-based Protective Insulation Coating for Non-oriented Electrical Steel
1.
2.
通讯作者: 张弦,E-mail:xianzhang@wust.edu.cn,研究方向为金属材料在苛刻环境下的腐蚀机理及其防护措施吴开明,E-mail:wukaiming@wust.edu.cn,研究方向为先进钢铁材料的应用性能,相变及组织性能调控
收稿日期: 2021-09-22 修回日期: 2021-10-20
| 基金资助: |
|
Corresponding authors: ZHANG Xian, E-mail:xianzhang@wust.edu.cnWU Kaiming, E-mail:wukaiming@wust.edu.cn
Received: 2021-09-22 Revised: 2021-10-20
| Fund supported: |
|
作者简介 About authors
胡雄鑫,男,1995年生,硕士生
以磷酸盐为基础成膜剂,添加稀土钝化剂与硅烷偶联剂,研制了一种无取向电工钢用绝缘环保涂料,对添加不同助剂的涂层的显微形貌、电化学性能、成分组成和盐雾性能进行了表征和测试。结果表明,在成膜剂中添加稀土钝化剂可有效填补涂层中的孔洞,进一步添加硅烷偶联剂可分散稀土盐沉淀,使复合涂层表面更均匀且无明显缺陷。电化学测试结果显示复合涂层的腐蚀电流密度最小,极化电阻值最大,结合盐雾测试结果表明其具有出色的耐腐蚀性能。此外,复合涂层的层间电阻、附着力及铅笔硬度等性能均优于工业标准。
关键词:
A protective insulation coating for non-oriented electrical steel plate was developed with phosphate-based film forming agent, rare earth passivator and silane coupling agent as raw material. The microstructure, composition, electrochemical performance and resistance to salt spray testing of the coatings with different additives were characterized and assessed. The results show that adding rare earth passivator to the film forming agent can effectively fill the pores on the surface of coating. While the addition of silane coupling agent may be beneficial to the dispersive distribution the rare earth salt precipitates, thereby, resulting in a more uniform surface without obvious defects of the composite coating. The electrochemical test results show that the composite coating presents lower corrosion current density and larger polarization resistance. Taking the salt spray test results into consideration, it is evident that the composite coating has excellent corrosion resistance. In addition, the properties of the composite coating, such as interlayer resistance, adhesion, and pencil hardness are all higher than the requirements of the relevant industrial standards.
Keywords:
本文引用格式
胡雄鑫, 张弦, 刘静, 吴开明, 林安.
HU Xiongxin, ZHANG Xian, LIU Jing, WU Kaiming, LIN An.
在各类无铬绝缘环保涂层中,磷酸盐系涂层的综合性能较为突出[5,6],其主要成分包括磷酸二氢盐、金属氧化物、硅溶胶等。磷酸二氢铝常被用作磷酸盐涂层的主要成分,是形成绝缘层的重要材料,它在高温下脱水冷凝形成的非晶层具有良好的粘结性和耐蚀性[7-9]。金属氧化物可以在低温下促进脱氢缩合固化反应,从而降低磷酸盐涂层的固化温度[10-12]。硅溶胶则可以提高磷酸盐涂层的常温结合强度。研究者们通过添加不同的助剂以提高磷酸盐涂层的耐蚀性,其中主要有硅烷、稀土、树脂等。文献[13-15]通过对硅烷的研究,综合了化学结合、氢键形成、物理吸附等多个理论,提出了硅烷脱水缩合模型,能较好地解释硅烷偶联剂同无机物之间的作用。文献[16-19]对稀土转化膜进行了研究,提出了稀土转化膜耐蚀的阴极禁止机理。
目前,针对电工钢用磷酸盐系绝缘环保涂层的研制及性能已有广泛研究,但磷酸二氢铝、金属氧化物、硅溶胶、硅烷及稀土各组分间的相互交联作用机理以及对涂层整体绝缘耐蚀性的影响尚不明确。因此,本文以磷酸盐为基础成膜剂,通过添加硅烷偶联剂与稀土钝化剂,研究了磷酸盐系绝缘环保涂层中各组分之间的相互交联作用以及对涂层绝缘耐蚀性的影响。
1 实验方法
实验所用无取向电工钢由中国宝武集团生产,厚度为0.5 mm。使用切割机将无取向电工钢板切至尺寸为30 mm×15 mm和120 mm×70 mm的片状样品。用600#SiC水砂纸对样品进行倒边/角处理,依次用二甲苯和无水酒精对样品进行超声清洗,然后冷风吹干,置于干燥箱中烘干待用。
绝缘环保涂料由成膜剂、硅烷偶联剂和稀土钝化剂组成。将磷酸二氢铝、氧化镁、硅溶胶和去离子水按一定比例和顺序混合搅拌得到成膜剂;将硅烷 (KH560)、无水乙醇和去离子水按一定比例和顺序混合搅拌得到硅烷偶联剂;将硝酸铈、硼酸、硝酸和去离子水按一定比例和顺序混合搅拌得到稀土钝化剂。将成膜剂命名为A样品,以其为基础,添加稀土钝化剂所得命名为B样品,添加硅烷偶联剂所得命名为C样品,同时添加稀土钝化剂与硅烷偶联剂所得命名为D样品。用OSP 3#线棒将涂料涂覆于清洁干燥后的无取向电工钢板上,放入烘箱250 ℃烘烤150 s,取出后自然冷却得到最终涂层样品。
使用Zennium型电化学工作站在3.5% (质量分数) NaCl溶液中对涂层试样进行电化学测试,采用三电极体系,工作电极为涂层试样、对电极为铂电极,参比电极为饱和甘汞电极,工作电极面积为1 cm2。动电位极化曲线的电位范围为相对开路电位-300~500 mV,扫描速率为0.5 mV/s;原位测试各涂层试样浸泡1、2、4、6和12 h后的电化学阻抗谱,电位变化幅度为5 mV,频率范围为105~10-2 Hz。
使用Apreo S Hivac型场发射扫描电子显微镜 (FE-SEM) 观察涂层样品表面的微观形貌。使用inVia Qontor型激光显微共聚焦拉曼光谱仪 (CRM) 对样品表面组成进行检测,激光源波长为532 nm,扫描范围为0~2000 cm-1,光谱分辨率为1 cm-1。使用AXIS SUPRA+型X射线光电子能谱仪 (XPS) 对涂层样品表面进行成分表征,X射线源为单色化Al靶,功率为75 W,真空度为1×10-9 Torr,采用结合能为284.8 eV的C 1s峰作为参照校准电荷漂移,采用CasaXPS软件对测试结果进行拟合。
根据GB/T 10125-2012使用YWX-250型盐雾箱对120 mm×70 mm的涂层试样进行8 h的中性盐雾实验,使用普通数码相机拍摄样品经盐雾实验后的宏观腐蚀形貌,并根据GB/T 6461-2002对实验后的试样进行评价;根据GB/T 6739-2006使用铅笔硬度仪测试试样的铅笔硬度并进行评价;根据GB/T 2522-2017对试样的附着性与层间电阻进行测试并评价。
2 结果与分析
2.1 微观形貌表征
图1
图1
4种涂层样品的SEM表面形貌图
Fig.1
SEM images of (a, b) A, (c, d) B, (e, f) C and (g, h) D coating samples
使用OSP 3#线棒涂覆的湿膜厚度为3 μm,4种涂层的固含量均为30%,因此理论干膜厚度为0.9 μm。图2为涂层样品的截面形貌与能谱结果,4种涂层样品的厚度接近,均为1 μm左右,与理论膜厚相符。涂层原料主要成分为磷酸二氢铝,其中含有大量P,因此能谱图中的P分布也证明了涂层厚度接近1 μm。
图2
图2
涂层样品的截面形貌与能谱图
Fig.2
SEM images (a) and EDS maps (b-d) of the cross section of the coating sample
2.2 涂层成分表征
2.2.1 拉曼测试
4种涂层样品的Raman光谱如图3所示。在所有样品的表面,520 cm-1处为SiO2的谱峰,说明SiO2硅溶胶的结构在加入磷酸盐涂层后没有发生改变,它仍以原始胶体的形式存在,且填充在涂层表面,易与溶液中的阳离子形成扩散双电层[20]。在B样品和D样品表面412和457 cm-1处分别为Ce2O3和CeO2的谱峰,说明稀土元素以氧化物的形式存在于涂层中,主要为Ce2O3,只有少量被氧化为CeO2[21]。在C和D样品表面,911 cm-1处为Si-O-Si键的伸缩振动,由硅烷偶联剂水解缩合形成[22,23]。在所有涂层表面,937 cm-1处为[PO4]3-单元中P-O键的对称拉伸振动,1085 cm-1处为[P2O7]4-单元中P-O键的对称拉伸振动,1156与1260 cm-1处为[P3O9]3-单元中P-O键的对称拉伸振动与非对称拉伸振动[24-26]。A样品含有上述4种P-O键振动,B与C样品位于1260 cm-1处的谱峰有所减小,D样品未检测到位于1156与1260 cm-1处的谱峰,说明在成膜剂中同时添加稀土钝化剂与硅烷偶联剂所得到的复合涂层不含有[P3O9]3-单元结构。
图3
2.2.2 XPS测试
图4为4种涂层样品的XPS图谱,从P的谱图 (图4a~d) 中可知4种样品中均含有PO43-与P2O74-结构,PO43-单元的结合能较P2O74-更大,因此其更加稳定。在磷酸盐成膜剂中,PO43-拟合峰面积较小 (图4a),表明PO43-单元在磷酸盐中占比较小;随着稀土钝化剂与硅烷偶联剂的分别加入,PO43-拟合峰在双拟合峰中面积占比有所提高 (图4b和c),则说明稀土钝化剂与硅烷偶联剂均可促进磷酸盐结构以单一四面体形式存在;最后,同时加入稀土钝化剂与硅烷偶联剂,PO43-拟合峰进一步增大 (图4d),其面积占比也最高,表明稀土钝化剂与硅烷偶联剂的协同作用使其磷酸盐结合能增大,使涂料更为稳定。Si在4种涂层样品中主要以两种形式存在,在A和B样品中,Si以SiO2形式存在 (图4e和f);在C和D样品中加入了硅烷偶联剂,Si以SiO2与Si-O-Si形式存在 (图4g和h),证明了硅烷偶联剂在涂层样品中的有效形成。
图4
图4
4种涂层样品的XPS图谱
Fig.4
XPS spectra of four coating samples: A (a, e), B (b, f), C (c, g), D (d, h)
2.3 电化学测试
2.3.1 动电位极化
在3.5%NaCl溶液中进行了裸钢及4种涂层样品的动电位极化测试,其极化曲线如图5所示,由Tafel外推法拟合得到的腐蚀电流密度与腐蚀电位列于表1,从图5中可见裸钢及4种涂层样品表面的阴极和阳极曲线均相似。根据Tafel外推法拟合得到腐蚀电流密度,可以推测裸钢的腐蚀情况最为严重,其腐蚀电流密度高达10.2 µA·cm-2;施加A涂层后,腐蚀电流密降至3.89 µA·cm-2,表明成膜剂对于基材整体具有一定的保护作用;B样品的腐蚀电流密度进一步降为0.877 µA·cm-2,说明稀土复合膜填补了单一成膜剂上的孔洞缺陷,使涂层的耐蚀性在短时间浸泡中得到了提升;同样,硅烷偶联剂的加入也使C样品的性能得到了提升,其腐蚀电流密度降至0.715 µA·cm-2;最后,D样品的腐蚀电流密度仅为0.205 µA·cm-2,与裸钢相比小了50倍,表明稀土钝化剂与硅烷偶联剂在磷酸盐成膜剂中可以共同促进复合涂层耐蚀性的提升。
图5
图5
4种涂层样品和裸钢的动电位极化曲线图
Fig.5
Potentiodynamic polarization plots of the bare steel and four coating samples
表1 4种涂层样品和裸钢的腐蚀电流密度与腐蚀电位
Table 1
| Sample | i / μA·cm-2 | E / V |
|---|---|---|
| Bare NOES | 10.200 | -0.378 |
| A | 3.890 | -0.316 |
| B | 0.877 | -0.307 |
| C | 0.715 | -0.301 |
| D | 0.205 | -0.307 |
2.3.2 电化学阻抗谱
图6
图6
4种涂层样品的电化学阻抗谱
Fig.6
Nyquist and Bode plots of four coating samples: A (a~c), B (d~f), C (g~i), D (j~l)
图7
图7
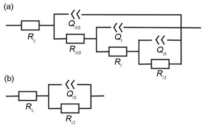
拟合电化学阻抗谱的等效电路图
Fig.7
Equivalent circuit for fitting EIS: (a) sample A for 1, 2 and 4 h, (b) sample B, sample C for 1, 2, 4 and 6 h, sample D for 1, 2, 4, 6 and 12 h
Rp值表示涂层表面发生电化学反应的系统总电阻,为除Rs外的各项电阻之和,各样品随时间变化的拟合Rp值如图8所示。A样品的Rp值在整个浸泡过程中都较小,在最初的1 h仅为9.43 kΩ·cm2并随时间一直下降,尤其在6 h后涂层失效,下降到了极低的水平;B样品与C样品阻抗结果相似,1 h的Rp值分别为42.8与63.6 kΩ·cm2,相较于A样品提高了近5倍,说明稀土钝化剂与硅烷偶联剂的加入对磷酸盐涂层的耐蚀性有一定程度的提升,但其同样随着时间呈下降趋势,在12 h后其Rp值与A样品接近,可视为涂层破裂失效;D样品在1 h的Rp值高达143.9 kΩ·cm2,相较于B样品和C样品提升了一倍以上,尽管也随着时间下降,但在12 h仍保持在17.97 kΩ cm2,涂层依然具有一定效果,表明稀土钝化剂与硅烷偶联剂在磷酸盐涂层中的良好协同作用,大大提升了复合涂层的耐蚀性,并延长了涂层的保护时间。
图8
图8
4种涂层样品的拟合Rp值随时间变化图
Fig.8
Evolution of the fitted Rp of four coating samples over immersion time
2.4 性能评价
2.4.1 中性盐雾实验
对4种涂层样品及裸钢进行8 h的中性盐雾实验,其结果如图9所示,并根据GB/T 6461-2002对盐雾实验后的样品进行评级。实验后裸钢样品受腐蚀情况严重,表面蚀坑明显,钢板受腐蚀面积高达62.27%,其保护评级为1级 (图9a);涂覆A样品后,钢板表面锈蚀情况略有好转,但其表面存在较多的密排孔洞 (图9b),成为腐蚀的萌生点,因此仍存在较多锈蚀点,其腐蚀面积为23.28%,其保护评级为2级;B样品表面的锈蚀斑点有所减少,但薄的鼓包结构无法抵御长时间的腐蚀 (图9c),当其破裂后,基材便开始发生腐蚀,其腐蚀面积为10.29%,其保护评级为3级;C样品表面分布着许多较浅的锈迹,推测是样品表面的褶皱和孔洞团聚处率先发生腐蚀 (图9d),其腐蚀面积为9.35%,其保护评级为3级;D样品表面平整无明显缺陷 (图9e),在盐雾实验中也表现出了较好的耐蚀性,腐蚀面积仅为0.41%,其保护评级为7级。
图9
图9
4种涂层样品和裸钢在8 h中性盐雾实验后的腐蚀形貌
Fig.9
Images of bare steel (a) and A (b), B (c), C (d), D (e) and four coating samples in the neutral salt-spray test for 8 h
2.4.2 综合性能评价
上述各项实验结果均表明,D样品的性能最为优异,因此根据国标对其综合性能进行进一步的测试,结果如表2所示。在层间电阻测试中,D样品的干膜层间电阻高达1500 Ω mm2/0.5 μm,超出工业标准2倍以上;在中性盐雾测试中,D样品可经受8 h的盐雾实验,同样超过工业标准;在附着力测试中,D样品可在弯曲直径10 mm的实验中不脱落,其附着力达到工业标准A级;在铅笔硬度测试中,D样品的铅笔硬度高达9 H,为国家标准中的最高级,远超工业标准。
表2 D样品的综合性能测试
Table 2
| Experimental standard | Evaluation standard | Industrial standard | D sample | |
|---|---|---|---|---|
| Inter-layer resistance (dry film) (Ω mm2/0.5 μm) | GB/T 2522-2017 Methods of test for the determination of coating insulation resistance and coating adhesion of electrical strip and sheet | GB/T 2522-2017 | 700 | 1500 |
Corrosion resistance (Neutral salty-spray) (h) | GB/T 10125-2012 Corrosion tests in artificial atmospheres-Salt spray tests | GB/T 6461-2002 Methods for corrosion testing of metallic and other inorganic coatings on mtallic substrates-Rating of test speciments and manufactured articles subjected to corrosion tests | 6 | 8 |
| Adhesion strength | GB/T 2522-2017 Methods of test for the determination of coating insulation resistance and coating adhesion of electrical strip and sheet | GB/T 2522-2017 | A | A |
| Pencil hardness (H) | GB/T 6739-2006 Paints and varnishes-Determination of film hardness by pencil test | GB/T 6739-2006 | 6 | 9 |
3 分析与讨论
磷酸盐成膜剂中主要含有磷酸二氢铝、氧化镁与硅溶胶,涂层的成膜材料可由以下反应形成:
MgO遇水生成Mg2+与OH-,OH-将磷酸二氢铝溶液中一部分H2PO4-转化为HPO42-,然后Al3+与H2PO4-和HPO42-共同反应生成水合磷酸氢铝,最后Mg2+与水合磷酸氢铝反应生成水合磷酸铝与水合磷酸氢镁,即为磷酸盐成膜剂的主要成分。拉曼与XPS结果显示硅溶胶附着在涂层的表面且其结构在反应中没有发生改变。同时,硅溶胶表面覆盖着-Si-OH和-OH,易吸附NaCl溶液中的Na+,而Na+由于布朗运动产生扩散现象,因此形成扩散双电层,并起到屏蔽溶液中的Cl-减缓腐蚀的作用。但由于成膜剂在加热固化过程中收缩产生密排孔洞,进而造成涂层的孔洞缺陷,这些缺陷在腐蚀过程中也成为了率先发生腐蚀的区域,无法较好地保护基材。
稀土钝化剂加入成膜剂后,稀土盐中的Ce3+与溶液中的-OH形成Ce(OH)3,若溶液中含有溶解氧,则Ce(OH)3将被进一步氧化为Ce(OH)4。稀土盐在涂层溶液中以氢氧化物的形式存在,并在高温固化后形成Ce2O3和CeO2。最终稀土元素主要以Ce2O3的形式存在于涂层中,少量被氧化为CeO2。稀土复合膜的形成阻碍了电子的传输,从而抑制了阳极反应,最终降低了金属的整体腐蚀速率。但稀土氢氧化物在B涂液中以沉淀形式存在,因此涂覆在钢板上的湿膜中其含量并不均匀,高温固化后得到的稀土氧化物分布同样不均匀,导致了B样品表面出现鼓包类结构。在短时间的腐蚀中这些鼓包结构能够起到“封孔”作用,但当其长时间暴露在腐蚀环境中时,鼓包破裂,涂层便无法较好地保护基体。
硅烷水解缩合分为4个步骤。首先,KH560在去离子水中水解,去离子水促进了水解反应,乙醇的作用则是为了防止硅醇进行大量缩合,保证生成较多的硅醇;其次,硅醇进行缩合反应形成含Si-O-Si的低聚硅氧烷,在拉曼和XPS结果中也证明了这一点;然后,低聚硅氧烷中的羟基与基材表面的羟基相互作用,形成分子内或分子间氢键;最后,在加热固化过程中发生脱水缩合,与基材表面形成共价键[13]。共价键的形成使C样品与基材表面的连接更为牢固,其表面较A样品与B样品也更为平整,仅存在少量褶皱与孔洞团聚。
最后,在成膜剂中同时加入稀土钝化剂与硅烷偶联剂,硅烷偶联剂的加入可均匀涂液中的稀土盐沉淀,使其氧化物最终均匀分布于膜层中,形成的复合膜具有良好的表面形貌,而稀土钝化剂与硅烷偶联剂在成膜剂中的协同作用也提高了磷酸盐单元的结合能与稳定性;在电化学测试中,D样品表现出了最小的腐蚀电流密度和最大的极化电阻值,同盐雾测试结果一致,均证明了D样品具有良好的耐腐蚀性能。
4 结论
(1) 以磷酸盐为成膜剂,添加稀土钝化剂与硅烷偶联剂,成功研制了一种无取向电工钢用绝缘环保涂料。
(2) 在成膜剂中添加稀土钝化剂可有效填补涂层中的孔洞缺陷,进一步添加硅烷偶联剂可分散涂料中的稀土盐沉淀,同时促使磷酸盐以单一四面体形式存在,增大了涂层的稳定性,并使复合涂层表面更均匀且无明显缺陷。
(3) 在成膜剂中添加稀土钝化剂与硅烷偶联剂所得到的复合涂层具有良好的耐腐蚀性能,且其层间电阻、附着力及铅笔硬度等性能均高于工业标准。
参考文献
Microstructure and texture evolution of thin-gauge non-oriented silicon steel with high permeability produced by twin-roll strip casting
[J].
The significance of hot rolled microstructure controlled by fine-tuning Al content to texture evolution and magnetic properties of low silicon non-oriented electrical steels
[J].
Advantages, properties and types of coatings on non-oriented electrical steels
[J].
Study of an environment-friendly insulating coating with high corrosion resistance on electrical steel
[J].
Preparation of a modified phosphate-based adhesive and its hot bonding performance on 316L stainless steel
[J].
Development of T-ZnOw@Al2O3-incorporated low-temperature curing aluminium phosphate coating on Ti-6Al-4V alloy
[J].
Control of aluminum phosphate coating on mullite fibers by surface modification with polyethylenimine
[J].
Chemically bonded phosphate ceramics: I, A dissolution model of formation
[J].
Improved magnetic properties of grain-oriented silicon steel by in-situ formation of potassium zirconium phosphate in insulating coating
[J].
Development of Cr-free aluminum phosphate binders and their composite applications
[J].
Study on aluminum phosphate binder and related Al2O3-SiC ceramic coating
[J].
Chemically-bonded phosphate ceramics obtained from aluminum anodizing waste for use as coatings
[J].
Influence of water on amine loading for ordered mesoporous silica
[J].
Scrutinizing the importance of surface chemistry versus surface roughness for aluminium / sol-gel film adhesion
[J].
The corrosion inhibition of zinc with cerous chloride
[J].
Cerium conversion coatings for the corrosion protection of aluminum
[J].
Preparation and characterization of cerium-based conversion coating on a Fe50Mn30Co10Cr10 dual-phase high-entropy alloy
[J].
Structural, morphological and biological evaluations of cerium incorporated hydroxyapatite sol-gel coatings on Ti-6Al-4V for orthopaedic applications
[J].
High-pressure minerals
[J].This article is dedicated to the occurrence, relevance, and structure of minerals whose formation involves high pressure. This includes minerals that occur in the interior of the Earth as well as minerals that are found in shock-metamorphized meteorites and terrestrial impactites. I discuss the chemical and physical reasons that render the definition of high-pressure minerals meaningful, in distinction from minerals that occur under surface-near conditions on Earth or at high temperatures in space or on Earth. Pressure-induced structural transformations in rock-forming minerals define the basic divisions of Earth's mantle in the upper mantle, transition zone, and lower mantle. Moreover, the solubility of minor chemical components in these minerals and the occurrence of accessory phases are influential in mixing and segregating chemical elements in Earth as an evolving planet. Brief descriptions of the currently known high-pressure minerals are presented. Over the past 10 years more high-pressure minerals have been discovered than during the previous 50 years, based on the list of minerals accepted by the IMA. The previously unexpected richness in distinct high-pressure mineral species allows for assessment of differentiation processes in the deep Earth.
Structural change analysis of cerianite in weathered residual rare earth ore by mechanochemical reduction using X-ray absorption fine structure
[J].
Review Raman studies of inorganic gels and of their sol-to-gel, gel-to-glass and glass-to-ceramics transformation
[J].
Kinetic investigations of hydrolysis and condensation of the glycidoxypropyltrimethoxysilane/aminopropyltriethoxy-silane system by means of FT-Raman spectroscopy I
[J]. J.
Structure of phosphate and iron-phosphate glasses by DFT calculations and FTIR/Raman spectroscopy
[J]. J.
Atmospheric corrosion of boron doped iron phosphate glass studied by Raman spectroscopy
[J]. J.
On the structural features of iron-phosphate glasses by Raman and EPR: observation of superparamagnetic behavior differences in HfO2 or CeO2 containing glasses
[J].Structural features of hafnium or cerium doped iron borophosphate glasses have been studied by Raman and EPR spectroscopies. Hf and Ce are introduced into the composition as surrogates for Pu. Raman spectrum of Hf and Ce free base iron phosphate glass indicate that the glass network consisted mainly of Q(1) units with contributions from Q(2) units. The general features observed for base glass are maintained in the Raman spectra of Hf/Ce containing glasses with some modifications with increasing Ce/Hf content in the composition. The EPR spectra of Hf and Ce containing glasses show different features. Super-paramagnetic domains were highlighted through EPR for all CeO2 containing glasses. (C) 2019 Elsevier B.V.
/
| 〈 |
|
〉 |
