中国腐蚀与防护学报  2014 , 34 (3): 249-252

注锌对316L奥氏体不锈钢氧化膜成分的影响

段振刚1, 张乐福1, 王力1, 徐雪莲2, 石秀强2

1. 上海交通大学核能科学与工程学院 上海 200240
2. 上海核工程研究设计院 上海市核电工程重点实验室 上海 200233

Effect of Zn Addition on Composition of Oxide Scales Formed on 316L Stainless Steel in High-temperature and High-pressured Water

DUAN Zhengang1, ZHANG Lefu1, WANG Li1, XU Xuelian2, SHI Xiuqiang2

1. School of Nuclear Science and Engineering, Shanghai Jiaotong University, Shanghai 200240, China
2. Shanghai Municipal Key Laboratory of Nuclear Power Engineering, Shanghai Nuclear Engineering Research &Design Institute, Shanghai 200233, China

中图分类号:  TL341

通讯作者:  通讯作者:张乐福,E-mail:lfzhang@sjtu.edu.cn

收稿日期: 2013-06-5

修回日期:  2013-06-5

网络出版日期:  --

版权声明:  2014 《中国腐蚀与防护学报》编辑部 版权所有 2014, 中国腐蚀与防护学报编辑部。使用时,请务必标明出处。

基金资助:  大型先进压水堆核电站重大专项项目(2011ZX06004010)资助

作者简介:

段振刚,男,1988年生,硕士生,研究方向为轻水堆一回路结构材料腐蚀性能及其机理

展开

摘要

通过模拟压水堆一回路水环境,对316L奥氏体不锈钢在320 ℃含锌10 μg/kg的高温溶液中进行了1000 h的腐蚀实验,对腐蚀后的试样表面进行了XPS分析。结果表明,试样在含锌溶液中形成了化学成分为 (Zn,Fe,Ni)(Cr,Fe)2O4的致密氧化膜,随着腐蚀时间的增加,氧化膜中的富Cr区由内层扩展至整个氧化膜。

关键词: 注锌 ; 316L奥氏体不锈钢 ; 压水堆 ; 氧化膜

Abstract

The effect of Zn addition on the composition of oxide scales formed on 316L stainless steel has been studied in high-temperature and high pressured waters, which aim to simulate the primary loop water environment of pressurized water reactor (PWR). Then, the formed oxide scales on the steel are analyzed by X-ray photoelectron spectroscopy (XPS). The results show that after soaked in water with 10 μg/kg Zn addition at 320 ℃ for 1000 h, compact oxide scales formed on the steel, which consist mainly of (Zn, Fe, Ni)(Cr, Fe)2O4, with an inner portion rich in Cr. However, the Cr rich portion extends gradually outwards to lead the whole oxide scale to become the same with the increasing exposed time.

Keywords: zinc addition ; 316L stainless steel ; PWR ; oxide film

0

PDF (1128KB) 元数据 多维度评价 相关文章 收藏文章

本文引用格式 导出 EndNote Ris Bibtex

段振刚, 张乐福, 王力, 徐雪莲, 石秀强. 注锌对316L奥氏体不锈钢氧化膜成分的影响[J]. , 2014, 34(3): 249-252 https://doi.org/

DUAN Zhengang, ZHANG Lefu, WANG Li, XU Xuelian, SHI Xiuqiang. Effect of Zn Addition on Composition of Oxide Scales Formed on 316L Stainless Steel in High-temperature and High-pressured Water[J]. 中国腐蚀与防护学报, 2014, 34(3): 249-252 https://doi.org/

1 前言

316L奥氏体不锈钢因在高温水溶液中能形成一层薄的钝化膜而具有良好的抗腐蚀性能,被广泛用于管道、热交换器、螺栓等的制造,尤其是压水堆一回路主管道。研究[1-3]发现,在高温水溶液中,奥氏体不锈钢表面会形成AB2O4 (A代表Fe2+和Ni2+B代表Fe3+和Cr3+) 尖晶石类型的双层氧化膜,内层富Cr且致密,外层富Fe较疏松。内层氧化膜阻碍Fe向外层和O向内层的扩散,从而降低了腐蚀速率[2]。对于尖晶石结构的氧化物,Zn2+可置换出Fe2+和Ni2+形成更稳定的Zn(FexCr1-x)2O4类型氧化膜,可进一步降低腐蚀速率[4,5]。一般冷却剂回路中加入Zn的浓度为5~40 μg/kg,采用较低浓度注锌 (5~10 μg/kg),主要目的是为了降低剂量率,较高浓度注锌 (15~40 μg/kg) 则主要是为了减缓一回路应力腐蚀开裂 (PWSCC)。本文在模拟压水堆一回路水环境中,研究了注锌10 μg/kg条件下316L不锈钢氧化膜成分随时间的变化规律,为探究Zn降低腐蚀速率的机理提供数据支持。

2 实验方法

将试样放入Zn浓度为10 μg/kg的高压釜中进行腐蚀实验,实验共1000 h,每200 h为一个周期,每个周期开釜、烘干、称重,之后放入高压釜中继续实验。采用Kratos AXIS UltraDLD型多功能光电子能谱仪 (XPS) 深度分析法分析氧化膜的结构和化学成分。采用单色铝靶Al Kα 射线为激发源,电压14.0 kV,功率75 W,通能160 eV。在实验条件下,以样品表面污染碳的C1s结合能 (284.5eV) 和Ar (241.9 eV) 定标并校正荷电效应。

实验采用核级材料316L奥氏体不锈钢,其化学成分 (质量分数,%) 为:C 0.016,Si 0.38,Mn 0.77,S 0.003,P 0.027,Mo 2.18,N 0.040,Cr 17.30,Ni 11.25,Fe余量。采用线切割将316L不锈钢加工成25 mm×20 mm×2 mm的片状试样,依次用180#,400#,800#,1200#和2000#砂纸研磨后抛光成镜面,再用丙酮和超纯水清洗、烘干、计算面积、称重。

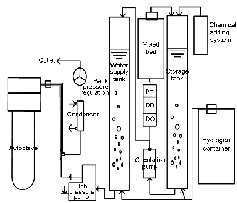
将试样以挂片形式放入动态高压釜中,模拟压水堆一回路水环境,以LiOH·H2O,H3BO3和Zn (C2H5O2)2为溶质配制2.2 mg/kg Li++1200 mg/kg B3++10 μg/kg Zn2+的溶液,压力15.2 MPa,温度320 ℃。实验回路采用开路式,如图1所示。在准备水箱中经用H2除氧的溶液由循环泵送入给水箱,再由计量泵打入高压釜,最后依次经过冷凝器和背压阀排出系统。由计量泵控制进入高压釜的流量,保证釜内溶液每2 h更换一次。

图1   

Fig.1   动水加锌回路示意图

3 实验结果

3.1 腐蚀增重分析

316L不锈钢在10 μg/kg含锌高温溶液中腐蚀1000 h的腐蚀增重随时间的变化曲线如图2所示。在前期,腐蚀速率较快,在400 h内腐蚀增重达到0.29 g/m2,而在腐蚀中期 (400~800 h) 的腐蚀增重变化很小,增重速率存在一定的波动。在实验后期 (800~1000 h) 腐蚀增重由0.28 g/m2降低为0.13 g/m2,可见316L不锈钢在含锌高温水溶液中在400 h内形成的钝化膜使腐蚀速率降低。

图2   

Fig.2   316L不锈钢在含锌10 μg/kg条件下的腐蚀增重曲线

3.2 氧化膜的XPS分析

根据增重曲线,选取在含锌 10 μg/kg溶液中腐蚀400,600和1000 h后的试样进行XPS分析。

3.2.1 氧化膜表面全谱 316L不锈钢主要包含Fe,Cr和Ni,为研究注锌对氧化膜的影响,对氧化膜进行了Zn2p,Ni2p,Fe2p,Cr2p,O1s,Ar2p和C1s等光谱的扫描。其中,C为表面污染物,用于对表面元素光谱的标定,而Ar为溅射离子,用于内层光谱的标定。随着腐蚀时间的变化,全谱的整体形势基本一致,故只列出试样腐蚀1000 h后的全谱 (图3)。在氧化膜的表面Fe2p,Cr2p和Cr2p的强度相比于Zn2p,O1s和C1s的强度弱,所以在氧化膜的表面Fe,Cr和Ni的含量较少。图3的插图中O1s的光谱明显存在一个台阶,氧化膜表面含有O2-,OH-和H2O[6]

图3   

Fig.3   316L不锈钢在320 ℃含锌10 μg/kg溶液中腐蚀1000 h后的全谱

3.2.2 氧化膜成分分析 选择在含锌10 μg/kg溶液中腐蚀400,600和1000 h的试样进行XPS深度分析。图4为试样的氧化膜XPS深度分析总谱。图中定义氧化膜中O含量降为表面值的50%处为氧化膜与过渡层的分界面,以腐蚀400 h的试样为例,O的初始含量在74.5%,随着分析深度的增加,先出现一段约10 nm的陡降区,之后出现约50 nm的平缓区,在60 nm之后开始平缓下降并趋于零;Fe的含量在O的陡降区增大,约在15%保持不变,而在60 nm后缓慢上升至基体值;Cr的含量呈现峰形,峰值约在65 nm;Zn的含量从初始值约7.29%缓慢降低;Ni的初始值只有2.04%,缓慢回升为基体值。由于Fe和Ni在基体中的移动速率较Cr快,并且优先溶解于溶液中,导致在基体表面优先形成富Cr的氧化层,并抑制基体中Fe进一步向溶液中释放,而溶解于液体中的Fe又沉积在富Cr的氧化膜的外表面,从而在氧化膜外表面形成了一层薄的富Fe氧化膜[2]。随着腐蚀时间的增加,试样表面都存在明显的外富Fe内富Cr的氧化膜,O的含量略有增高,氧化膜增厚,而Fe,Cr,Ni和Zn基本不变,尤其腐蚀600 h后的试样与腐蚀1000 h试样的氧化膜化学成分基本不变,氧化膜厚度未见明显的变化,表明试样在含锌高温水溶液中形成了致密的氧化膜,有效地阻止了O向氧化膜内部扩散,抑制了基体腐蚀。

图4   

Fig.4   316L不锈钢在10 μg/kg注锌溶液中分别腐蚀400,600和1000 h后的XPS深度分析谱

图5为氧化膜XPS深度分析的分价谱。以图5a为例进行详细分析,316L不锈钢在10 μg/kg加锌溶液中腐蚀400 h后形成的氧化膜表层中 (Zn2++Ni2+)/(Cr3++Fe3+) 比值略大于0.5,所以氧化膜表层成分主要为Zn(Cr,Fe)2O4和Ni(Cr,Fe)2O4,结合图3中O的图谱可知,剩余的小部分则为Ni在高温中发生水解反应并沉积在氧化膜最外层的Ni(OH)2[7]以及ZnO,Zn(OH)2及相关的氧化物[8]。随后,氧化膜中产生单质Ni和Fe2+,在41 nm处出现单质Fe,55 nm处出现少量单质Cr。氧化膜成分也由ZnxNiy(Cr,Fe)2O4转化为ZnxFey(CrzFe1-z)2O4,且其中Zn2+和Fe3+的成分越来越少。随着Fe3+的消失,在68 nm处氧化膜成分转化为ZnxFeyCr2O4。在96 nm处,Fe2+也开始消失,此时,Zn2+/Cr3+远小于0.5,由此判断,此处的氧化膜成分除ZnCr2O4外还含有其它Cr的化合物。从图4a可以看出,96 nm处O的含量约为30%,可以推测此时氧化膜中含有Cr2O3。从图5a可以看出,氧化膜分为两层,第一层以ZnFe2O3型尖晶石氧化物为主,第二层以ZnCr2O4型尖晶石氧化物为主,并在氧化层靠近氧化膜/基体界面处出现了Cr2O3

图5   

Fig.5   316L不锈钢在320 ℃, 含锌10 μg/kg溶液中腐蚀不同时间后,表面氧化层XPS深度分析的分价态谱

与图5a相比,图5b中表面氧化膜中Zn2+和Cr3+的含量增加,同时Fe2+,Fe3+和Ni2+的含量降低,很明显整个氧化膜以ZnCr2O4为主,而化学成分未见明显变化。Cr相比于Fe和Ni具有较低的扩散速率,更容易形成钝化膜。氧化膜中Cr含量的增加,使试样的腐蚀速率降低。与图5b相比,图5c中Zn2+和Cr3+的含量几乎未发生变化,氧化膜外层Fe3+的含量升高,并提前约30 nm降为零,而氧化膜表层未发现Fe2+,但在内层出现了较多的Fe2+,氧化膜表层Cr3+含量的增加,使形成的钝化膜增厚,溶液中的O向内层氧化膜扩散受到更大的阻力,而使Fe2+得不到进一步氧化。Zn2+未能进一步扩散到氧化膜内层并置换Fe2+,故说明氧化膜形成后,Zn2+对内层氧化膜的影响不明显。单质Fe的含量在90 nm处已回升到约20%,即单质Fe向溶液中扩散得到了有效抑制,而使同一分析深度的单质Fe含量升高。结合图4a和b中Fe的含量可知,Fe的含量几乎不变,即Fe向溶液中释放受到了非常好的抑制作用,所以进一步证明了316L不锈钢在注锌溶液中形成了抗腐蚀性能良好的钝化膜。

4 结论

316L不锈钢在含锌溶液中形成了化学成分为 (Zn,Fe,Ni)(Cr,Fe)2O4的致密氧化膜,并以ZnCr2O4为主,氧化膜与基体间过渡层的主要成分为Cr2O3。随着浸泡时间的增加,氧化膜中Zn2+的含量趋于稳定,表面氧化膜全部转变为含锌富Cr的致密氧化膜。

感谢上海交通大学分析测试中心提供XPS分析,孙立民老师对XPS分析提供了大量帮助,在此一并感谢。


参考文献

[1] Lister D H, Davidson R D, McAlpine E.

The mechanism and kinetics of corrosion product release from stainless steel in lithiated high temperature water

[J]. Corros. Sci., 1987, 27(2): 113-140

[2] Robertson J.

The mechanism of high temperature aqueous corrosion of steel

[J]. Corros. Sci., 1989, 29(11): 1275-1291

[3] Terachi T, Yamada T, Miyamoto T, et al.

Corrosion behavior of stainless steels in simulated PWR primary water—effect of chromium content in alloys and dissolved hydrogen

[J]. J. Nucl. Sci. Technol., 2008, 45(10): 975-984

[4] Lister D H. Mechanisms of zinc interaction with oxide films in high-temperature water. Presentation at EPRI Meeting. Toronto, 2004

[5] Lister D H.

Activity transport and corrosion processes in PWRs

[J].Nucl. Energy, 1993, 32(1): 103-114

[6] Stefanov P, Stoychev D, Stoycheva M, et al.

XPS and SEM studies of chromium oxide films chemically formed on stainless steel 316 L

[J]. Mater. Chem. Phys., 2000, 65(2): 212-215

[7] Huang J, Liu X, Han E-H, et al.

Influence of Zn on oxide films on Alloy 690 in borated andlithiated high temperature water

[J]. Corros. Sci., 2011, 53(10): 3254-3261

[8] Chen P C, Lee M K.

Zinc oxide nanostructures prepared by liquid phase deposition

[D]. Kaohsiung: National Sun Yat-Sen University, 2006

/