X80管线钢氢渗透行为及氢脆敏感性研究 |
| 陈锴, 杜一帆, 徐浩昀, 吕良, 党桂铭, 王玉金, 郑树启 |
|
Hydrogen Permeation and Hydrogen Embrittlement Sensitivity of X80 Pipeline Steel |
| CHEN Kai, DU Yifan, XU Haoyun, LV Liang, DANG Guiming, WANG Yujin, ZHENG Shuqi |
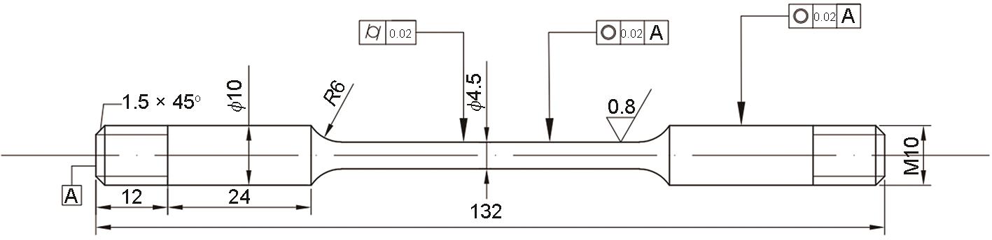
| 图2 试样尺寸示意图 |
| Fig.2 Sample size diagram (mm) |
|