耦接件涂层失效程度与其力学损伤之间的关系 |
| 李卓玄, 曹艳辉, 李崇杰, 李辉, 张小明, 雍兴跃 |
|
Relationship Between Corrosion Failure Degree of Organic Coatings and Mechanical Properties for Dissimilar Metal Assamblies |
| LI Zhuoxuan, CAO Yanhui, LI Chongjie, LI Hui, ZHANG Xiaoming, YONG Xingyue |
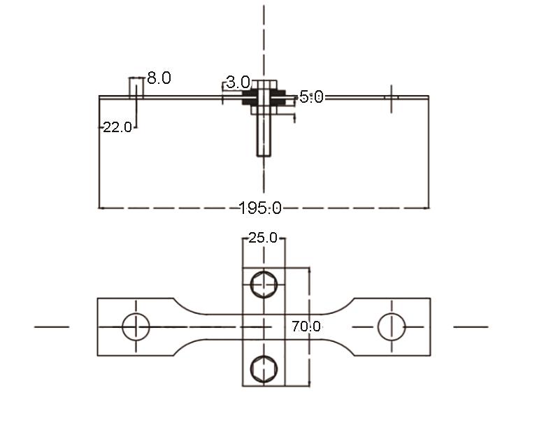
| 图2 钛合金与对偶材料的耦接方式示意图 |
| Fig.2 Schematic diagrams of the coupling mode between titanium alloy plate and mating material |
|