天然海水中硝酸盐的添加对EH40钢腐蚀的影响 |
| 吴佳佳, 徐鸣, 王鹏, 张盾 |
|
Impact of Nitrate Addition on EH40 Steel Corrosion in Natural Seawater |
| WU Jiajia, XU Ming, WANG Peng, ZHANG Dun |
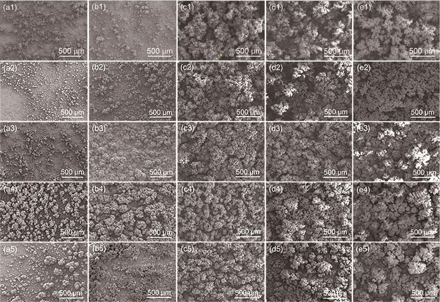
| 图4 EH40钢在添加不同浓度硝酸盐的海水中浸泡不同时间的表面腐蚀产物SEM形貌 |
| Fig.4 SEM images of surface corrosion products of EH40 steel immersed in seawater added with 0 (a1-e1), 0.1 (a2-e2), 1 (a3-e3), 10 (a4-e4) and 100 (a5-e5) mmol/L nitrate for 1 (a1-a5), 2 (b1-b5), 4 (c1-c5), 8 (d1-d5) and 12 (e1-e5) weeks |
|