中国腐蚀与防护学报(中文版)  2018 , 38 (3): 248-254 https://doi.org/10.11902/1005.4537.2017.171

研究报告

烧结温度对含石墨烯Ti/IrTaSnSb金属氧化物阳极性能的影响

韦鉴峰1, 付洪田12, 王廷勇12, 许实2, 王辉2, 王海涛2

1 洛阳船舶材料研究所 洛阳 471000
2 青岛双瑞海洋环境工程股份有限公司 青岛 266101

Effect of Sintering Temperature on Properties of Graphene-containing Ti/IrTaSnSb-G Metal Oxide Anodes

WEI Jianfeng1, FU Hongtian12, WANG Tingyong12, XU Shi2, WANG Hui2, WANG Haitao2

1 Luoyang Ship Material Research Institute, Luoyang 471000, China
2 Sunrui Marine Environment Engineering Co., Ltd, Qingdao 266101, China

中图分类号:  TG146.3+4, TB321

文章编号:  1005-4537(2018)03-0248-07

通讯作者:  通讯作者 王廷勇,E-mail:wangty725@163.com,研究方向为腐蚀控制与表面处理

收稿日期: 2017-10-17

网络出版日期:  2018-06-20

版权声明:  2018 《中国腐蚀与防护学报》编辑部 《中国腐蚀与防护学报》编辑部

作者简介:

作者简介 韦鉴峰,男,1992年生,硕士生

展开

摘要

采用热分解法制备了不同烧结温度的含石墨烯的Ti/IrTaSnSb金属氧化物阳极,测试了阳极在1.5% (质量分数) NaCl溶液中的电化学性能,并通过SEM及EDS进行了显微形貌分析,研究了烧结温度对阳极性能的影响。结果表明:在适宜的烧结温度下,石墨烯促进IrO2在阳极表面偏析,其晶粒结构主要呈枝状,并存在二次结晶现象,形成纳米针状结构,从而增大了阳极的活性表面积,提高了阳极的电催化活性;但烧结温度过高会导致石墨烯快速氧化分解,以及IrO2在阳极表面偏析减少。另外,随着烧结温度的升高,阳极的电催化活性升高;当烧结温度为460 ℃时,阳极的析氯活性最好,随后电催化活性逐渐降低。

关键词: 石墨烯 ; 氧化物阳极 ; 烧结温度 ; 电催化活性

Abstract

Ti/IrTaSnSb-G anodes were prepared by thermal decomposition at different sintering temperatures, and then characterized by means of SEM with EDS. The electrochemical performance of the anodes in 1.5% (mass fraction) NaCl solution was assessed and the effect of sintering temperature on the property of the anodes was further studied. Results show that graphene promotes the segregation of IrO2 with dendritic structure on the surface of anodes at the appropriate sintering temperature, and the secondary crystallization phenomenon was found to produce the nano-needle structure of IrO2, which increases the active surface areas and improves the electrocatalytic activity of the anodes. However, the much higher sintering temperature will lead to rapid oxidative decomposition of graphene, which results in the decrease of IrO2 on the anode surface. The study also finds that the electrocatalytic activity of the anodes increases firstly as sintering temperature rises and then the gradually becomes poor . Among others, the anode prepared by sintering at 460 ℃ presents the best performance.

Keywords: graphene ; oxide anode ; sintering temperature ; electrocatalytic activity

0

PDF (3468KB) 元数据 多维度评价 相关文章 收藏文章

本文引用格式 导出 EndNote Ris Bibtex

韦鉴峰, 付洪田, 王廷勇, 许实, 王辉, 王海涛. 烧结温度对含石墨烯Ti/IrTaSnSb金属氧化物阳极性能的影响[J]. 中国腐蚀与防护学报(中文版), 2018, 38(3): 248-254 https://doi.org/10.11902/1005.4537.2017.171

WEI Jianfeng, FU Hongtian, WANG Tingyong, XU Shi, WANG Hui, WANG Haitao. Effect of Sintering Temperature on Properties of Graphene-containing Ti/IrTaSnSb-G Metal Oxide Anodes[J]. Journal of Chinese Society for Corrosion and Protection, 2018, 38(3): 248-254 https://doi.org/10.11902/1005.4537.2017.171

远洋船舶在航行中要不断的进行海水压载和排载,从而导致不同海域海生物相互传播,造成生物入侵[1,2,3]。针对上述状况,2004年国际海事组织 (IMO) 出台了《国际船舶压载水和沉积物控制与管理公约》,防止海生物入侵迎来了新的里程碑[4],这也给船舶压载水处理技术提出了更苛刻的要求。目前,电解海水制氯是船舶压载水处理的主流技术之一,利用电解海水产生强氧化性的有效氯,来杀死海水中的生物[5,6,7]。电解海水制氯阳极通常采用电催化活性高、耐蚀性好、成本较低的钛基金属氧化物阳极 (DSA)[8,9,10]。然而,在实际应用过程中,尤其是低温或者低盐海水条件下,存在着阳极性能劣化问题,如析氯活性降低、稳定性变差等,导致电流效率大幅下降,造成实际电解海水产生的有效氯浓度降低。葛宝玉等[11]研究认为,Ti/IrTaSnSb阳极的电流效率会随着海水盐度降低而大幅下降。黄运涛等[12]认为,Ti/RuIrSn阳极的电催化活性随海水温度降低而下降明显。许实等[13]认为,阳极在5 ℃海水中的电流效率相对于15 ℃时的下降约25%;而相对于30 psu的海水,阳极在15 psu海水中的电流效率下降约20%。因此,研制在低温或低盐条件下拥有高电催化活性的阳极具有重要意义。

宁慧利等[14]研究表明,石墨烯的添加有利于提高铱钽氧化物阳极的析氧电催化活性。石墨烯是一种单片层结构的二维纳米材料,拥有大的比表面积,优异的导电性能和较高的稳定性等优点,在超级电容器、电池等电化学领域受到极大重视[15,16],但在金属氧化物阳极中的应用却报道较少。本文采用热分解法制备了不同烧结温度的含石墨烯Ti/IrTaSnSb (Ti/IrTaSnSb-G) 阳极,研究了烧结温度对含石墨烯阳极析氯性能的影响,进而优化了阳极的制备工艺。

1 实验方法

1.1 实验材料

实验采用工业纯钛TA2作为基体材料,对试样进行喷砂、除油、酸洗蚀刻后存入无水乙醇中备用。按照Ir∶Ta∶Sn∶Sb=5∶1∶1∶3的摩尔比配制涂液,并加少许盐酸起润湿作用,然后加入10 g/L的石墨烯,并搅拌均匀。将涂液涂刷在预处理好的钛试样上,先在烘箱中120 ℃烘干10 min,然后在一定温度下烧结10 min,冷却后反复涂覆,共涂刷6层,最后一层烧结1 h,得到不同温度 (440,460,480,500和520 ℃) 烧结的Ti/IrTaSnSb-G阳极。

1.2 测试方法

1.2.1 热重分析 采用STA409PC同步热分析仪,在空气气氛下采集TG和DSC曲线。气流速度60 mL/min,加热温度至650 ℃,升温速率为10 ℃/min。

1.2.2 电化学性能测试 使用PAR2273电化学工作站进行电化学测试,选用三电极体系,辅助电极为Pt电极,参比电极为饱和甘汞电极 (SCE),工作电极为氧化物阳极。工作电极规格为10 mm×10 mm,并采用环氧树脂封装。电解液为1.5%(质量分数) NaCl溶液,实验温度15 ℃,试样在电解液中浸泡3 h后测量。

阳极极化曲线扫描电位区间为1.0~1.2 V,扫描速率0.33 mV·s-1。循环伏安扫描区间为0~1.0 V,扫描速率20 mV·s-1,扫描圈数20圈。电化学阻抗在直流偏压1.13 V下测量,扫描频率105~10-1 Hz。

1.2.3 电流效率测定 电流效率是实测有效氯浓度与理论有效氯浓度的比值,实测有效氯浓度通过滴定法测得,而理论有效氯浓度根据流通电量算得。在15 ℃下1.5%NaCl溶液 (低盐) 和5 ℃下3.5%NaCl溶液 (低温) 中测定了阳极的电流效率,采用环氧树脂封装试样,工作面积为3 cm×3 cm,电流密度为1500 A·m-2,电解时间20 min。

1.2.4 显微形貌及成分分析 通过Ultra55场发射扫描电子显微镜 (FE-SEM) 观察阳极显微形貌,并用OXFORD X-Max能谱仪 (EDS) 进行成分分析。

2 结果与讨论

2.1 热重分析

为了分析石墨烯在加热过程中的分解特性,对石墨烯进行了热重分析,采集了TG和DSC曲线,结果见图1。可知,当温度低于460 ℃时,石墨烯质量只有微量减少且没有出现明显放热峰,说明此时石墨烯未发生分解。当温度超过480 ℃时,石墨烯质量大幅下降,并且DSC曲线出现了明显的放热峰,说明在此温度下石墨烯大量氧化分解生成了碳的氧化物。石墨烯的上述氧化分解特性会对阳极的形貌和性能产生明显影响。

图1   石墨烯的热重分析曲线

Fig.1   TG and DSC curves of graphene

2.2 显微形貌及成分分析

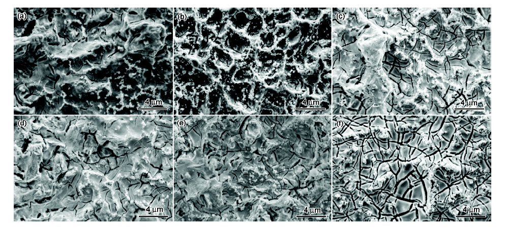
Ti/IrTaSnSb-G和Ti/IrTaSnSb阳极显微形貌见图2。可以看出,阳极表面均呈龟裂纹结构,并且存在不同程度的IrO2偏析。由图2b和f可见,添加石墨烯的阳极表面裂纹细小、不连续,且阳极表面偏析明显,这可能是涂层中的石墨烯阻碍了裂纹的扩展。此外,由于石墨烯边缘具有更高的界面能,且单片层的石墨烯为IrO2结晶提供了更多的形核中心,在烧结过程中,有利于Ir的氧化物在石墨烯处结晶、析出。

图2   不同温度烧结的Ti/IrTaSnSb和Ti/IrTaSnSb-G阳极表面形貌

Fig.2   FE-SEM images of Ti/IrTaSnSb-G anodes sintered at 440 ℃ (a), 460 ℃ (b), 480 ℃ (c), 500 ℃ (d), 520 ℃ (e) and Ti/IrTaSnSb anode sintered at 460 ℃ (f)

烧结温度对阳极表面形貌的影响较大,随着烧结温度的升高,裂纹尺寸变宽、数量增加,裂纹变得连续且贯通阳极表面。当烧结温度为460 ℃时,阳极表面偏析最为明显,见图2b。随着烧结温度的升高,偏析量逐渐减少,见图2c~e。这可能是因为当烧结温度超过480 ℃时,石墨烯快速氧化分解,使得形核点减少,导致IrO2在阳极表面偏析减少。

在高倍下对阳极表面析出物进一步分析,其显微结构见图3。EDS分析结果表明,析出物主要为Ir的氧化物,其中Ir原子含量为18.66%。由图3b和f可知,未添加石墨烯的阳极表面析出物呈团簇状;而添加石墨烯后,阳极表面析出物为枝状结构,并存在二次结晶,形成细长的纳米针状结构。热重分析表明,当烧结温度超过480 ℃时,由于石墨烯快速氧化分解,会导致金属元素在晶粒内扩散距离变短,针状二次结晶结构变短变粗,如图3d和e。综上所述,石墨烯促进了IrO2在阳极表面结晶,这些纳米针状结构大幅增加了阳极的活性表面积,有利于提高阳极的电催化活性。

图3   不同温度烧结的Ti/IrTaSnSb和Ti/IrTaSnSb-G阳极表面析出物的显微结构

Fig.3   FE-SEM images of the precipitates of Ti/IrTaSnSb-G anodes sintered at 440 ℃ (a), 460 ℃ (b), 480 ℃ (c), 500 ℃ (d), 520 ℃ (e) and Ti/IrTaSnSb anode sintered at 460 ℃ (f)

2.3 循环伏安分析

金属氧化物阳极表面呈多孔多裂纹结构,其真实表面积远大于几何面积,通常用伏安电量Q来表征阳极的表面状态[17]Q受阳极表面的裂纹状态、活性物质、涂层氧化程度、晶粒大小等因素影响,而反应过程中真正起催化作用的是阳极表面的活性物质。伏安电量虽不能直接反映阳极的催化活性,但可以用来判断阳极的活性变化趋势。

图4为不同阳极在1.5%NaCl溶液中的循环伏安曲线,积分得到的循环伏安电量见图5。可以看出,随着阳极的烧结温度升高,Q值呈下降趋势,表明在较低温度下烧结时,阳极具有更高的催化活性。研究还表明,在460 ℃烧制的含石墨烯Ti/IrTaSnSb-G阳极的伏安电量是未含石墨烯Ti/IrTaSnSb阳极的2倍多。这是因为添加石墨烯后,IrO2在阳极表面偏析更多,并且呈细长的针状结构;此外,含石墨烯阳极的裂纹也更细小,可见石墨烯的添加可以大大提高阳极的活性表面积。

图4   不同温度烧结的Ti/IrTaSnSb-G和Ti/IrTaSnSb阳极在1.5%NaCl溶液中的循环伏安曲线

Fig.4   Cyclic voltammorgrams of Ti/IrTaSnSb-G and Ti/IrTaSnSb-G anodes in 1.5%NaCl solution

图5   烧结温度对阳极伏安电量的影响

Fig.5   Effect of sintering temperature on voltammetric charge of the anodes

2.4 极化曲线测试

测试了不同阳极在1.5%NaCl溶液中的极化曲线,结果见图6。可知,阳极在电位达到1.11 V后开始发生析氯反应;随着极化电位的升高,含石墨烯阳极的电流密度增量均明显大于未添加石墨烯的阳极,表明含石墨烯阳极的极化电阻更小,因而析氯活性更好。实验还表明,在相同的极化电位下,460 ℃烧结的含石墨烯阳极,电流密度最大;当阳极的烧结温度继续升高时,电流密度呈下降趋势。这是因为在460 ℃下烧制的阳极,IrO2偏析更多,使得阳极的活性表面积更大,因而电催化活性更高。

图6   不同阳极在1.5%NaCl溶液中的极化曲线

Fig.6   Porlarization curves of Ti/IrTaSnSb-G and Ti/IrTaSnSb anodes in 1.5%NaCl solution

2.5 低温低盐条件下Ti/IrTaSnSb-G阳极的电解效率分析

在电解海水过程中,会发生以下反应[18,19]

M4++Cl-M4+Cl-(1)

M4+Cl-M3+Cl++e(2)

M3+Cl++Cl-M4++Cl2+e(3)

MOx+H2OMOxOH+H++e(4)

2MOxOH2MOx+O2+2H++2e(5)

由以上反应式可知,不论是析氯反应还是析氧反应,都是Cl-和(·OH)与活性物质先结合形成吸附中间体。但电解海水过程中,由于反应式 (1) 的结合能比反应式 (4) 的低[20],即析氯电位更低,理论上析氯反应会优先进行。但实际过程中,析氧 (反应式 (4) 和 (5)) 等副反应也会伴随发生。析氯反应时,反应 (2) 为控制步骤,IrO2在阳极表面析出,有利于吸附反应 (1) 发生,从而促进反应 (2) 和 (3) 进行,提高电催化效率。低温导致阳极表面达到活化能的活性点大幅减少;而低盐下,Cl-接触活性点的几率下降,因而电流效率低。因此,阳极表面活性点以及活性表面积的增加可以有效改善低温或低盐下电流效率偏低的问题。

电流效率可以更直观地评价金属氧化物阳极的析氯效果,不同阳极在5 ℃的3.5%NaCl溶液和15 ℃的1.5%NaCl溶液中的电流效率分别见图7和8。结果显示,在低温和低盐条件下,Ti/IrTaSnSb-G阳极的电流效率变化趋势一致,在460 ℃下烧结的阳极,电流效率最高;此后,阳极的电流效率随着烧结温度升高而降低。此外,在460 ℃下烧制的两种阳极,含石墨烯阳极在低温和低盐条件下的电流效率较传统阳极分别提高了7%和11%。这是因为石墨烯促进了IrO2的析出,并且生成纳米针状结构的二次结晶,以及含石墨烯阳极涂层的裂纹更多更细,从而增大了阳极的活性表面积。而460 ℃下烧结的阳极,IrO2在表面偏析最多,且二次结晶更细长,因而阳极的活性表面积最大。因此,在适宜的烧结温度下,石墨烯的添加可以大大提高金属氧化物阳极在低温或低盐条件下电解海水时的电流效率。

图7   阳极在5 ℃的3.5%NaCl溶液中的电流效率曲线

Fig.7   Current efficiencies of the anodes in 3.5%NaCl solution at 5 ℃

图8   阳极在15 ℃的1.5%NaCl溶液中的电流效率曲线

Fig.8   Current efficiencies of the anodes in 1.5%NaCl solution at 15 ℃

2.6 电化学阻抗分析

为研究涂层导电性能对阳极电催化活性的影响,对阳极进行了电化学阻抗测量,结果见图9。采用RS(QfRf)(QdlRct) 等效电路对阻抗谱进行拟合分析,拟合结果见表1。其中,Rs为溶液电阻,RfQf分别为阳极涂层本身的电阻和电容,RctQdl分别为阳极/溶液界面上电荷转移电阻和溶液双电层电容。结果显示,阻抗谱均有两个容抗弧,高频段观察到较小的容抗弧反映阳极涂层的阻抗,而低频段较大的容抗弧与溶液双电层的电化学反应有关。

图9   Ti/IrTaSnSb-G阳极在1.5%NaCl溶液中的Nyquist图

Fig.9   Nyquist plots of Ti/IrTaSnSb-G and Ti/IrTaSnSb anodes in 1.5%NaCl solution

表1   不同温度烧结的Ti/IrTaSnSb-G阳极电化学阻抗等效电路拟合值

Table 1   Fitting impedance parameters of EIS of Ti/IrTaSnSb-G and Ti/IrTaSnSb anodes in 1.5%NaCl solution

Sinteringtemperature / ℃RsΩ·cm2QfΩ-1·cm-2·s-nRfΩ·cm2n1QdlΩ-1·cm-2·s-nRctΩ·cm2n2
4403.0172.419×10-12.0180.6979.2068.3630.661
4603.7812.343×10-12.3120.7098.8088.3010.695
460 without graphene3.5411.572×10-24.0180.6786.02815.9050.684
4803.0831.054×10-13.8240.6666.32214.3940.744
5003.6761.434×10-24.1660.7475.90616.4280.675
5203.9741.046×10-25.1920.7063.86320.4420.638

新窗口打开

表1可知,随着烧结温度升高,QdlQf值逐渐减小,表明阳极的充放电性能下降,即电催化活性减弱。而随着烧结温度升高,Rf值逐渐增大,表明阳极涂层的电阻越大,这是因为随着石墨烯的逐渐分解,涂层导电性变差,440和460 ℃时,石墨烯基本未分解,此时阳极的导电性相差很小。Rct反映了发生析氯反应时的电荷传递电阻,由表1可看出,烧结温度超过460 ℃时,Rct大幅增加,发生析氯反应阻力增大,析氯活性降低;而440 ℃烧结的阳极,Rct值稍微大于460 ℃烧结的阳极,这可能是因为440 ℃时,IrO2未充分形成金红石结构[21],因而析氯活性相对较低,这与电流效率结果一致。此外,460 ℃烧结的含石墨烯的阳极,阻抗拟合值明显低于未添加石墨烯阳极的,RctRf值均不到未添加石墨烯阳极的60%。可见,添加石墨烯后,阳极的性能明显改善。综上所述,并结合电流效率分析,良好的导电性有利于提高阳极析氯活性。

3 结论

(1) 当温度低于460 ℃时,石墨烯基本未发生分解;随着温度升高,石墨烯逐渐发生氧化分解;当烧结温度超过480 ℃时,石墨烯会大量氧化分解。

(2) 适宜的烧结温度下,涂层中的石墨烯会阻碍裂纹的扩展,使得阳极表面裂纹更细小,不连续;并且添加石墨烯会促进IrO2在阳极表面大量偏析,其结晶体主要呈枝状,并存在二次结晶现象,生成细长的纳米针状结构,这种显微结构大大增加了阳极的活性表面积,进而提高了阳极的析氯活性。此外,当烧结温度为460 ℃时,IrO2在阳极表面偏析最明显,纳米针状结构更细长,且裂纹相对细小,因而活性表面积更大。

(3) 在460 ℃下烧结制备的Ti/IrTaSnSb-G阳极具有最高的析氯活性;随着烧结温度继续升高,阳极的电催化活性逐渐下降。

(4) 当烧结温度为460 ℃时,Ti/IrTaSnSb-G阳极在低温和低盐下的电流效率分别达到了73%和87%;与相同温度下烧制的未添加石墨烯阳极相比,电流效率分别提高了7%和11%。石墨烯的添加大大提高了金属氧化物阳极在低温或低盐条件下电解海水时的电流效率。

The authors have declared that no competing interests exist.


/