中国腐蚀与防护学报(中文版)  2017 , 37 (6): 605-612 https://doi.org/10.11902/1005.4537.2016.086

研究报告

高温气相条件下硫酸氢铵与硫酸铵对20#碳钢的腐蚀行为研究

马双忱1, 焦坤灵1, 张立男1, 孙尧1, 吴文龙2, 张小霓2

1 华北电力大学环境科学与工程学院 保定 071003
2 国网河南省电力试验研究院 郑州 450052

Corrosion Characteristics of Carbon Steel in High Temperature Gas Containing Ammonium Bisulfate and Ammonium Sulfate

MA Shuangchen1, JIAO Kunling1, ZHANG Linan1, SUN Yao1, WU Wenlong2, ZHANG Xiaoni2

1 College of Environmental Science and Engineering, North China Electric Power University (Baoding), Baoding 071003, China
2 Electric Power Test Research Institute of Henan Province, Zhengzhou 450052, China

中图分类号:  X701

文章编号:  1005-4537(2017)06-0605-08

收稿日期: 2016-06-27

网络出版日期:  2017-12-20

版权声明:  2017 《中国腐蚀与防护学报》编辑部 《中国腐蚀与防护学报》编辑部

基金资助:  国网河南省电力公司电力科学研究院项目 (SJTYHT/13-GS-178) 和中央高校基本科研业务费专项资金 (2016XS113)

作者简介:

作者简介 马双忱,男,1968年生,博士,教授

展开

摘要

通过失重法研究了20#碳钢在含有硫酸氢铵 (ABS) 和硫酸铵 (AS) 高温气相中的腐蚀行为。采用SEM/EDS和XRD表征手段分析了腐蚀后碳钢试片的微观形貌变化及腐蚀产物的物相组成。结果表明:在108~282 ℃范围内,ABS和AS均对碳钢有腐蚀性,ABS的腐蚀性更为严重;随着ABS和AS浓度的增大,腐蚀速率加快;随着温度的升高,腐蚀速率减缓。推测腐蚀机理为:由于ABS和AS溶液的酸性,碳钢主要发生H+的酸性腐蚀,亦存在氧腐蚀;阳极反应生成的Fe2+发生系列次生反应生成Fe的氧化物,并且Fe2O3、Fe3O4与硫酸铵盐发生相互作用生成 (NH4)Fe(SO4)2等复盐。

关键词: SCR ; 硫酸氢铵 ; 硫酸铵 ; 失重法 ; 高温腐蚀

Abstract

The corrosion of carbon steel in high temperature gas containing ammonium bisulfate (ABS) and ammonium sulfate (AS) was studied by means of weight loss method, SEM/EDS and XRD. Results show that in the range of 108~282 ℃, the ABS and AS in flue gas are both corrosive to carbon steel, while ABS causes more serious corrosion. As the concentration of ABS and AS in gas phase increases, the corrosion rate is accelerated; with the rising gas temperature, the corrosion rate is slowed down. The corrosion mechanism is speculated as follows: due to the acidity of ABS and AS solution, H+ acid corrosion is the main corrosion of carbon steel, but oxygen corrosion also takes place. The anode reaction generated Fe2+ may then induces the secondary reaction to form series of iron oxides, thereafter ammonium sulfate salt interacts with Fe2O3 and Fe3O4 to generate ammonium sulfate (NH4)Fe(SO4)2 and other double salts.

Keywords: SCR ; ABS ; AS ; weight loss method ; corrosion at high temperature

0

PDF (5427KB) 元数据 多维度评价 相关文章 收藏文章

本文引用格式 导出 EndNote Ris Bibtex

马双忱, 焦坤灵, 张立男, 孙尧, 吴文龙, 张小霓. 高温气相条件下硫酸氢铵与硫酸铵对20#碳钢的腐蚀行为研究[J]. 中国腐蚀与防护学报(中文版), 2017, 37(6): 605-612 https://doi.org/10.11902/1005.4537.2016.086

MA Shuangchen, JIAO Kunling, ZHANG Linan, SUN Yao, WU Wenlong, ZHANG Xiaoni. Corrosion Characteristics of Carbon Steel in High Temperature Gas Containing Ammonium Bisulfate and Ammonium Sulfate[J]. Journal of Chinese Society for Corrosion and Protection, 2017, 37(6): 605-612 https://doi.org/10.11902/1005.4537.2016.086

选择性催化还原法脱硝 (SCR) 技术是在适当的温度及催化剂条件下,利用还原剂 (NH3或尿素等) 有选择地将气相中的NOX转化为N2和水的一种脱硝技术[1,2]。该方法具有技术成熟、脱硝效率高、运行可靠及便于维护和操作等优点[3],是目前国内外应用最为广泛的一种气相脱硝方法。然而,SCR催化剂中的活性组分V2O5能够催化气相中的SO2转化为SO3,在有水蒸汽存在条件下SO3与SCR逃逸氨发生相互作用生成硫酸氢铵 (简称ABS)。ABS具有粘性和腐蚀性,其沉积会造成锅炉空预器严重堵灰和金属材料的腐蚀等问题,从而影响机组的安全运行[4-7]

此前,本课题组研究了ABS溶液对锅炉尾部金属材料不锈钢和碳钢在常温下的腐蚀行为,发现ABS溶液具有很强的腐蚀性,与相同浓度的硫酸溶液相近,这是由于ABS在水中可电离出H+[8]

一般,SCR后控制逃逸氨浓度低于2 mg/m3,其中,部分沉积在飞灰上,另一部分与气相中的SO3生成ABS。生成的ABS部分粘附于飞灰上,随烟气进入下游设备,另一部分沉积在空预器换热元件表面[9]。除此之外,SCR催化剂中也会形成ABS。ABS沉积的常见区域为空预器的中、低温段,其温度为120~230 ℃。随着设备的运行,沉积的ABS会逐渐积累。而后续设备静电除尘器温度约为150 ℃,采用挥发法控制ABS在空预器内的沉积,也可能导致ABS挥发进入静电除尘器或部分转化为硫酸铵 (AS)。马海涛[10]研究了高温氯盐环境中金属材料的腐蚀,庞胜娇[11]研究了3种合金耐硫酸盐/氯盐腐蚀行为,万晔等[12]研究了可溶盐沉积对碳钢大气腐蚀的影响,其中包括AS,但目前尚未见对气相中ABS和AS在高温条件下腐蚀特性的研究。因此,有必要探究气相中ABS和AS对金属材料的高温腐蚀特性,研究结果可为ABS控制方法的选择提供理论依据。

本文采用失重实验对比研究了锅炉尾部材料碳钢在高温气相中含有ABS和AS的腐蚀速率,并利用扫描电镜 (SEM)、能谱仪 (EDS) 和X射线衍射仪 (XRD) 对腐蚀产物进行表征[13],分析腐蚀后试片表面的微观形貌及腐蚀产物的物相组成,最终明确碳钢的腐蚀程度和腐蚀机理。

1 实验方法

1.1 样品制备

实验材料为经退火处理的20#碳钢挂片,其化学成分 (质量分数,%) 为:C 0.21,Si 0.25,Mn 0.35,S 0.03,P 0.035,Cr 0.21,Ni 0.25,Cu 0.20,Fe余量。用SiC砂纸将挂片逐级打磨至800#后,用钢印对试样进行标号;用去离子水冲洗,丙酮脱脂,干燥后称重。

1.2 实验系统及方法

在如图1所示的实验装置上开展高温腐蚀实验。利用SK3-2-10-4型节能程控管式炉控制温度,实验前利用热电偶定点测试管式炉内石英管反应器相应位置的温度,选择的实验温度在108~282 ℃范围内。将腐蚀试片平放入石英管内已准确测定温度的位置处,然后喷入包含N2和雾化的ABS溶液或AS溶液。由于实际气相中ABS含量并不确定,考虑实验时间和研究目的等,配制的ABS或AS溶液浓度为5.3571和10.7142 g/L (分别用分析纯NH4HSO4和 (NH4)2SO4配制)。利用HQ-2008A6工业喷雾器对ABS或AS溶液超声波雾化后,喷入石英管反应器内,喷入的流量准确控制在5.6 mL/min。用N2作为载气,其流量准确控制在100 mL/min,最终使得气相中ABS或AS的浓度为300或600 mg/L。

图1   实验装置图

Fig.1   Diagram of experimental set-up

将试片按编号分别在不同温度下含有ABS和AS的气相中进行腐蚀实验,实验时间为90 h。实验结束后取出试片,放入盛有无水乙醇的烧杯中,将其置于超声波清洗仪中清洗1 h,将超声清洗后的乙醇进行过滤,保留滤渣,以测定腐蚀产物和沉积物。将清洗后的腐蚀试片再放入10% (体积分数) 盐酸+0.5% (质量分数) 六次甲基四胺溶液中,常温浸泡20 min后用去离子水快速清洗,再用无水酒精擦洗、丙酮除油,最后干燥24 h后称重,计算平均腐蚀速率。

1.3 失重法计算腐蚀速率

失重法即金属材料在一定条件下腐蚀一定时间后,比较腐蚀前后金属材料的质量变化,从而计算其腐蚀速率[14]。本实验是20#碳钢在含有ABS和AS的高温气相中的腐蚀实验,利用失重法测定不同条件下的腐蚀速率V

V=m0-mSt(1)

其中,S为试片表面积,m2;t为腐蚀时间,min;m0为腐蚀前试样的质量,g;m为腐蚀并清洗掉腐蚀产物后试片的质量,g。

1.4 腐蚀产物表征

采用S4800型配有EDS的SEM对腐蚀后试样的表面微观形貌进行观察,并对表面腐蚀产物的元素组成进行测试。采用D8 Advance型XRD对超声清洗获得的腐蚀产物进行成分分析。

2 结果与讨论

2.1 温度对20#碳钢腐蚀速率的影响

利用式 (1) 计算获得的20#碳钢试片各条件下的腐蚀速率见表1

300 mg/L ABS或AS对20#碳钢腐蚀速率随温度的变化关系如图2所示。可以看出,当气相中ABS或AS的浓度为300 mg/L时,其对20#碳钢腐蚀速率的影响均随着温度的升高而逐渐降低,在150~200 ℃温度范围变化尤其明显,而在200 ℃以上腐蚀速率变化不大。在108 ℃时,ABS对20#碳钢的腐蚀速率约为2.810×10-4 g/(cm2h)。在80 ℃时,20#碳钢在含有3%NaCl的饱和CO2溶液中的腐蚀速率约为1.400×10-4 g/(cm2h)[15],相比之下,ABS对其腐蚀速率更大。在208 ℃时,腐蚀速率约为9.668×10-6 g/(cm2h)。

图2   300 mg/L ABS/AS对20#碳钢腐蚀速率的影响随与温度的变化曲线

Fig.2   Variations of corrosion rates of 20# stainless steel in 300 mg/L ABS/AS solutions with temperature

表1   不同温度条件下ABS和AS溶液对20#碳钢的腐蚀速率

Table 1   Corrosion rates of 20# stainless steel in ABS and AS solution at different temperatures

CorrosivemediumConcentration
mgL-1
Corrosion time / hSuperficial areacm2Original mass / gWeight after corrosion / gMassloss / gCorrosion rate
gcm-2h-1
ABS3009013.21428.66148.32720.33422.81×10-4
3009013.22368.69718.41150.28562.40×10-4
3009013.21628.42928.21470.21451.80×10-4
3009013.21668.53828.51960.01861.56×10-5
3009013.22148.51288.50130.01159.67×10-6
3009013.21788.54288.53230.01058.83×10-6
ABS6009013.22428.68767.98130.70635.93×10-4
6009013.21638.51258.09980.41273.47×10-4
6009013.21888.55188.12500.42683.59×10-4
6009013.21458.58748.41990.16751.41×10-4
6009013.22348.54378.41850.12521.05×10-4
6009013.21968.5758.55670.01381.54×10-5
AS3009013.22328.47238.3710.10138.52×10-5
3009013.21368.4538.35450.09858.28×10-5
3009013.21828.52998.4770.05294.45×10-5
3009013.21688.42228.40280.01941.63×10-5
3009013.22188.54198.52680.01511.27×10-5
3009013.21848.54498.53040.01451.22×10-5

新窗口打开

图3   不同温度下20#碳钢试片在300 mg/L ABS中腐蚀后的微观形貌

Fig.3   SEM images of 20# carbon steel after corrosion in 300 mg/L ABS at 108 ℃ (a), 154 ℃ (b), 208 ℃ (c) and 282 ℃ (d)

图3为不同温度下碳钢试片在300 mg/L ABS中腐蚀后的微观形貌。可以看出,在108 ℃时,碳钢表面出现明显的腐蚀坑,腐蚀坑分布不均匀,有腐蚀产物的晶粒沉积;温度为154 ℃时,同样有腐蚀坑出现,但数目减少,尺寸变小;温度为208和282 ℃时,碳钢表面的腐蚀产物分布均匀且致密,没有明显的腐蚀坑出现。由此同样表明,300 mg/L ABS的气相对20#碳钢的腐蚀程度随着温度的升高而逐渐降低。推测其原因,碳钢在较高温度时生成了具有保护性的腐蚀产物膜[15],且ABS的初始挥发温度为173 ℃[16],温度升高则挥发加快,沉积在金属表面的ABS量就越少,碳钢基片的腐蚀速率减慢。

2.2 ABS和AS浓度对20#碳钢腐蚀速率的影响

图4所示为不同浓度ABS对20#碳钢腐蚀速率的影响曲线。可以明显看出,在300和600 mg/L ABS气相中,20#碳钢的腐蚀速率均随着温度的升高而降低;在600 mg/L ABS的气相中,温度达200 ℃以上时,腐蚀速率仍有明显下降。对比两种浓度对碳钢的腐蚀速率,气相中ABS浓度越高,腐蚀速率越快,但当温度达到200 ℃以后,两种浓度中的20#碳钢的腐蚀速率逐渐接近。

图4   不同浓度ABS对20#碳钢腐蚀速率的影响

Fig.4   Corrosion rates of 20# stainless steel in 300 and 600 mg/L ABS at different temperatures

图5所示为在208 ℃下20#碳钢在不同浓度ABS中腐蚀后的微观形貌。可以看出,相较于300 mg/L ABS,600 mg/L ABS对碳钢的腐蚀更为明显,且腐蚀后的碳钢表面有较多腐蚀产物,分布不均匀,有出现腐蚀坑的趋势。

图6所示为相同浓度的ABS与AS中20#碳钢的腐蚀速率对比。可以看出,当腐蚀温度低于200 ℃时,ABS对碳钢的腐蚀速率比AS的快,温度越低时二者的腐蚀速率差别越大;当温度达200或282 ℃时,两者几乎没有明显差别。

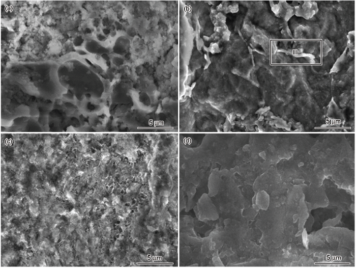
图7为20#碳钢在不同温度下相同浓度ABS和AS中腐蚀后的表面微观形貌。可以看出,在154 ℃时,300 mg/L AS气相腐蚀后的碳钢试片表面未出现明显腐蚀坑,腐蚀产物分布不均匀,说明AS在此条件下对碳钢的腐蚀速率要低于ABS,其原因与ABS和AS的理化性质有关。ABS在溶液中直接电离产生H+,而AS先电离产生NH4+后水解产生H+。因此,相同浓度的ABS和AS溶液,前者的H+浓度更高。在此条件下,ABS对20#碳钢腐蚀程度更大。

图5   208 ℃时20#碳钢分别在300和600 mg/L ABS中腐蚀后的微观形貌

Fig.5   SEM images of 20# carbon steel after corrosion in 300 mg/L (a) and 600 mg/L (b) ABS at 208 ℃

图6   20#碳钢在不同温度下300 mg/L的ABS和AS中的腐蚀速率

Fig.6   Corrosion rates of 20# stainless steel in 300 mg/L ABS and AS at different temperatures

图7   20#碳钢在不同温度下300 mg/L ABS和AS中腐蚀后的表面微观形貌

Fig.7   SEM images of 20# carbon steel after corrosion in 300 mg/L ABS (a, c) and 300 mg/L AS (b, d) at 154 ℃ (a, b) and 282 ℃ (c, d)

2.3 腐蚀产物EDS分析

图8和9为20#钢试样在154和208 ℃下300 mg/L ABS中腐蚀产物膜 (图3b和c) 的EDS分析结果。可以看出,腐蚀后的碳钢表面主要由5种元素组成,分别是C、N、O、S和Fe,其中Fe和C两种元素主要来自于碳钢,N、S和O主要来自于该硫酸盐溶液,部分O来自于气相中的O2

对比图8和9以及相应的SEM像可以看出,腐蚀后的碳钢表面有金属氧化产物及盐类存在。根据其表面的元素组成,结合XRD谱 (图10) 推测,S主要仍以SO42-形式存在,而Fe可能是以硫酸盐或复合硫酸盐的形式存在,仍有部分O是以铁的氧化物形式存在。由于腐蚀后的碳钢表面主要是黑色或者附着有红棕色物质,因此推测可能为Fe3O4和Fe2O3

对比可见,当温度升高时,碳钢表面的Fe含量明显升高,S含量明显降低,说明腐蚀产物中硫酸盐含量减少。推测Fe大部分以氧化物或单质铁的形式存在,说明温度升高,腐蚀速率降低。

图8   20#碳钢试片在154 ℃下300 mg/L ABS中腐蚀后表面腐蚀产物膜的EDS分析结果

Fig.8   EDS analysis results of area I in Fig.3b which formed on 20# carbon steel after corrosion in 300 mg/L ABS at 154 ℃

图9   20#碳钢试片在208 ℃下300 mg/L ABS中腐蚀后表面的EDS分析结果

Fig.9   EDS result of area II in Fig.3c which formed on 20# carbon steel after corrosion in 300 mg/L ABS at 208 ℃

图10   20#碳钢经ABS和AS腐蚀后的腐蚀产物XRD谱

Fig.10   XRD patterns of the corrosion products formed on 20# carbon steel after corrosion in ABS (300 mg/L) and AS (300 mg/L)

图11   20#碳钢试片在154 ℃下300 mg/L AS中腐蚀后的EDS分析结果

Fig.11   EDS analysis result of area III in Fig.7b which formed on 20# carbon steel after corrosion in 300 mg/L AS at 154 ℃

图11为20#钢试样在154 ℃的300 mg/L AS中腐蚀产物膜 (图7b) 的EDS分析结果。

对比图8和11可以看出,在AS中腐蚀的碳钢表面的Fe含量升高,S含量降低,说明腐蚀产物中硫酸盐含量减少。从原子数比推测,Fe主要以氧化物形式存在,说明AS中碳钢腐蚀速率降低。

经超声波清洗获得20#碳钢在ABS和AS中腐蚀后表面的沉淀物,然后进行XRD分析,结果见图10。可以看出,高温条件下,碳钢在含有ABS (300 mg/L) 和AS (300 mg/L) 的气相中腐蚀后形成的腐蚀产物中均可能存在 (NH4)Fe(SO4)2

2.4 腐蚀机理分析

ABS沸点为350 ℃,熔点为147 ℃,在147~207 ℃温度范围内为液态,温度更高时逐渐挥发。其电离特性是在水溶液中会电离产生H+和SO42-,而在熔融状态时电离生成HSO4-。而AS熔点为230 ℃,其在溶液中电离产生NH4+和SO42-,产生的NH4+水解后会生成H+。因此,在相同浓度的ABS和AS溶液中,AS中的H+浓度远小于ABS中的。此外,两种物质在低温时存在于溶液中,会电离出H+,温度升高后水分挥发,则为熔融液体,更高温度时以气态化合物形式存在,均不再电离生成H+。根据失重法测定的腐蚀速率结果可以看出,在本文实验条件下,熔融状态时两种硫酸铵盐对碳钢的腐蚀速率比溶液中的腐蚀速率要慢,因此主要考虑溶液中两种硫酸铵盐的腐蚀机理。

根据上述ABS和AS的性质和对腐蚀产物的分析,推测其腐蚀过程机理如下:

(1) 实验过程中,喷入的硫酸盐会附着在金属表面,随着时间的进行,沉积量逐渐增多,温度越高时沉积量越少。

(2) 部分ABS或AS沉积在金属表面,大部分仍溶解于气相水中,随气相流经金属表面;而溶解于水的ABS或AS发生如下反应:

NH4HSO4NH4++H++SO42-(2)

NH4++H2ONH3H2O+H+(3)

(3) 考虑20#碳钢主要发生酸性腐蚀,则:

阳极反应: FeFe2++2e-(4)

极反应: 2H++2e-2[H]H2(5)

溶液中有溶解氧的存在,存在氧腐蚀,则同时发生:

阴极反应: O2+2H2O+4e-4OH-(6)

上述生成物进一步反应:

Fe2++2OH-Fe(OH)2(7)

4Fe(OH)2+O2+2H2O4Fe(OH)3(8)

6Fe(OH)2+O22Fe3O4+6H2O(9)

2Fe(OH)3Fe2O3+3H2O(10)

(4) 气相中存在的硫酸铵盐进一步与上述腐蚀产物反应:

Fe2O3+6H+2Fe3++3H2O(11)

Fe3O4+8H+Fe2++2Fe3++4H2O(12)

NH4++2SO42-+Fe3+(NH4)Fe(SO4)2(13)

2NH4-+2SO42-+Fe2+(NH4)2Fe(SO4)2(14)

即溶液中H+浓度较高时,会促进上述反应过程的进行,腐蚀加剧,因而AS中碳钢的腐蚀速率比ABS中的要慢。具体腐蚀产物的种类取决于实际的温度、溶解氧含量、溶液浓度等因素。

3 结论

(1) 20#碳钢在ABS和AS溶液中的腐蚀速率与其在气相中的浓度、温度相关;ABS和AS对碳钢的腐蚀速率均随着温度的升高而逐渐降低,200 ℃以上腐蚀速率变化不大;在温度低于200 ℃时,ABS对碳钢的腐蚀速率比AS快,温度越低时二者的腐蚀速率差别越大,温度越高时二者腐蚀速率越接近;气相中ABS浓度越高,腐蚀速率越快,温度达到200 ℃以后,腐蚀速率逐渐接近。

(2) 经气相中ABS和AS腐蚀后,20#碳钢表层腐蚀产物可能存在铁的氧化物和 (NH4)Fe(SO4)2等。

(3) 由于ABS和AS溶液呈酸性,碳钢主要发生H+的酸性腐蚀;同时有溶解氧的存在,亦可发生氧腐蚀。阳极反应生成的Fe2+发生系列次生反应,最终生成铁的氧化物。Fe2O3、Fe3O4与硫酸铵盐发生相互作用,最终生成 (NH4)Fe(SO4)2等复盐。

The authors have declared that no competing interests exist.


/