中国腐蚀与防护学报  2017 , 37 (4): 354-359 https://doi.org/10.11902/1005.4537.2016.101

研究报告

锌基合金镀层钢板的耐蚀性研究

蒋光锐12, 王海全123, 黎敏1, 刘广会12, 谢春乾12

1 首钢集团有限公司技术研究院 北京 100043
2 首钢集团有限公司技术研究院 绿色可循环钢铁流程北京市重点实验室 北京 100043
3 中国钢研科技集团先进金属材料涂镀国家工程实验室 北京 100081

Corrosion Properties of Steel Sheet with Zinc-base Alloyed Coatings

JIANG Guangrui12, WANG Haiquan123, LI Min1, LIU Guanghui12, XIE Chunqian12

1 Shougang Group Co., Ltd. Research Institute of Technology, Beijing 100043, China
2 Beijing Key Laboratory of Green Recyclable Process for Iron & steel Production Technology, Beijing 100043, China
3 National Engineering Lab of Advanced Coating Technology for Metal Materials, China Iron and Steel Research Institute Group (CISRI), Beijing 100081, China

中图分类号:  TG172

文章编号:  1005-4537(2017)04-0354-06

通讯作者:  通讯作者 蒋光锐,E-mail:guangrui82@qq.com,研究方向为热浸镀工艺

收稿日期: 2016-07-19

网络出版日期:  2017-08-15

版权声明:  2017 《中国腐蚀与防护学报》编辑部 《中国腐蚀与防护学报》编辑部

基金资助:  资助项目 北京市科技计划项目 (D15110300350000)

作者简介:

作者简介 蒋光锐,男,1982年生,博士

展开

摘要

采用热浸镀的方法在镀锌模拟器上制备得到纯Zn、Galfan和Zn-Al-Mg 3种锌合金镀层钢板,3种镀层中的合金元素质量分数分别为Zn-0.2%Al,Zn-5%Al和Zn-2%Al-2%Mg,镀层钢板为无间隙原子钢 (IF钢)。采用全浸泡的方法研究了3种锌基合金镀层钢板的腐蚀行为,并采用电化学方法和扫描电镜研究了浸泡不同时间的锌基合金镀层钢板的耐蚀性。结果表明,在浸泡初期,Zn-Al-Mg镀层钢板的自腐蚀电流密度最大;随着浸泡时间延长,Zn-Al-Mg镀层钢板的自腐蚀电流密度缓慢减小,而纯Zn镀层钢板和Galfan镀层钢板的自腐蚀电流密度均增大。Galfan镀层钢板的Nyquist曲线具有明显扩散特征,镀层表面的腐蚀速率较快;而Zn-Al-Mg镀层钢板的Nyquist曲线表现为有限扩散特征,这表明其表面覆盖的腐蚀产物提高了Zn-Al-Mg镀层钢板的耐蚀性。

关键词: 钢板 ; Zn-Al-Mg镀层 ; 耐蚀性 ; Galfan镀层 ; 热浸镀

Abstract

Three hot-dip galvanizing coatings i.e. pure Zn, Zn-5%Al and Zn-2%Al-2%Mg were prepared respectively on sheets of a commercial interstitial free (IF) steel by a hot-dip process simulator (HDPS). Corrosion behavior of the coated steel sheets was studied by means of immersion test, electrochemical measurement and scanning electron microscope (SEM). Results show that the Zn-Al-Mg coating has the largest corrosion current density at the early stage of immersion. While with the increasing immersion time, the corrosion current density of the Zn-Al-Mg decreases but those of the pure Zn and Zn-5%Al coatings increase. For the Zn-5%Al coating, diffusion characteristics could be found for its Nyquist curve, which means higher corrosion rate. However, for the Zn-Al-Mg coating, limited diffusion characteristics could be found for its Nyquist curve, which means a perfect coverage of corrosion products on the coating surface, in other word, the corrosion resistance was enhanced.

Keywords: steel sheet ; Zn-Al-Mg coating ; corrosion resistance ; Galfan coating ; hot-dipping

0

PDF (3382KB) 元数据 多维度评价 相关文章 收藏文章

本文引用格式 导出 EndNote Ris Bibtex

蒋光锐, 王海全, 黎敏, 刘广会, 谢春乾. 锌基合金镀层钢板的耐蚀性研究[J]. , 2017, 37(4): 354-359 https://doi.org/10.11902/1005.4537.2016.101

JIANG Guangrui, WANG Haiquan, LI Min, LIU Guanghui, XIE Chunqian. Corrosion Properties of Steel Sheet with Zinc-base Alloyed Coatings[J]. 中国腐蚀与防护学报, 2017, 37(4): 354-359 https://doi.org/10.11902/1005.4537.2016.101

热浸镀锌钢板由于其具有良好的阴极保护性能而得到广泛应用,但是在高氯环境以及酸性环境下的耐蚀性较差,难以满足建筑、汽车等行业的发展要求[1-3]。为了克服纯Zn镀层的缺点,国际铅锌协会于20世纪80年代推出了Galfan镀层,镀层中含有5% (质量分数) 的Al和95%的Zn,具有良好的耐Cl-腐蚀性能[4,5]。然而Galfan镀层与基板之间的结合力较差,而且由于Al含量高而容易在表面出现灰暗的氧化色,不利于在汽车车身钢板上使用[6]

研究[7-9]表明,在纯Zn镀层中同时添加少量Mg和Al可以显著提高镀层的耐蚀性,同时也不会恶化镀层的附着性能。因此,欧洲和日韩的钢铁企业开发了多种含有Mg和Al的Zn-Al-Mg合金镀层钢板,如新日铁开发的SuperDyma镀层[9,10]、日新制钢开发的ZAM镀层[11]、奥钢联开发的Corrender镀层[12,13]等。这些Zn-Al-Mg镀层钢板已经被日益广泛用于建筑、家电、汽车等需要较高耐蚀性的领域[8-15]

Komatsu等[7]采用循环腐蚀实验和电化学的方法比较了纯锌镀层与Zn-6%Al-3%Mg以及Zn-4.5%Al-0.1%Mg镀层的耐蚀性,发现纯Zn镀层经过2个循环周期后自腐蚀电流显著增大,Zn-4.5%Al-0.1%Mg镀层经过20个循环周期后自腐蚀电流才有明显增大,而Zn-6%Al-3%Mg镀层经过20个循环周期后自腐蚀电流没有明显变化。Morimoto等[16]采用盐雾实验和曝晒实验比较了Zn-5%Al-0.1%Mg与Zn-11%Al-3%Mg的耐蚀性,认为Zn-11%Al-3%Mg的耐蚀性显著强于Zn-5%Al-0.1%Mg。然而这些研究中所涉及的Zn-Al-Mg镀层的Al含量均较高,不适宜在汽车车身钢板上使用。根据德国汽车工业联合会标准[17],汽车用钢板上的Zn-Al-Mg镀层中的铝镁含量总和不能超过8%。Prosek等[18]采用循环腐蚀实验评价了Zn-1.5%Al-1.5%Mg镀层、Zn-11%Al-3%Mg-0.2%Si镀层、Galfan镀层以及纯Zn镀层的耐蚀性,认为Mg阻碍了ZnO的形成,延缓了氧化过程。许红等[19]采用中性盐雾实验和Na2SO4全浸实验研究了纯Zn镀层、Galfan镀层和Zn-1%Al-2.5%Mg镀层的耐腐蚀性能,表明Zn-1%Al-2.5%Mg镀层的耐腐蚀性能是纯Zn镀层的2倍以上,接近Galfan镀层的耐腐蚀性能。然而Prosek等和许红等的研究中均没有对镀层进行电化学实验研究,而电化学实验是一种评价耐腐蚀性能的快速而重要的方法。李鑫等[20]采用电化学方法研究了多种Zn及锌合金的恒电流电化学性质,然而其研究对象为Zn及Zn合金的铸锭,与实际的镀层钢板有较大差异。因此本文采用电化学的方法,比较了纯Zn、Galfan以及Zn-Al-Mg 3种镀层钢板的耐腐蚀性能。

1 实验方法

1.1 钢基板和镀层制备

实验用钢板为商业用IF钢,厚度为0.8 mm,化学成分 (质量分数,%) 为:C 0.0030,Si 0.01,Mn 0.12,P 0.01,S 0.008,Al 0.045,Ti 0.051,其余为Fe。将钢板切成200 mm×120 mm的样品,在50 ℃的10% (质量分数) NaOH溶液中清洗干净,然后用无水乙醇除去表面的水分,最后用热风烘干备用。

将不同成分的Zn合金在镀锌模拟器[21]的石墨坩埚中熔化后保温24 h,加热和保温过程中均采用高纯N2 (N2体积分数为99.99%) 进行保护。所用3种Zn合金的成分如表1所示,纯Zn合金的保温温度为460 ℃,Galfan合金的保温温度为400 ℃,Zn-Al-Mg合金的保温温度为420 ℃。将清洗干净的钢基板样品放入镀锌模拟器的加热舱中,在含有95% (体积分数) N2和5%H2的气氛中加热到800 ℃,加热速度为5 K/s;保温90 s后冷却到Zn合金熔体的温度,保温20 s;后浸入熔融的Zn合金熔体,热浸镀时间为3 s;然后用N2气流将钢板表面多余的合金熔体吹掉,并在N2气氛中快速冷却到室温。通过控制N2流量,使镀层厚度控制在10~12 mm范围。最后,在钢基板上选择镀层均匀的中间位置加工成60 mm×60 mm的实验样片。

表1   不同Zn合金的化学成分

Table 1   Chemical compositions of three zinc alloys (mass fraction / %)

Hot-dip alloyAlMgZn
Pure zinc0.20Bal.
Galfan50Bal.
Zn-Al-Mg22Bal.

新窗口打开

1.2 腐蚀实验

Zn合金镀层钢板的样片在3.5% (质量分数) NaCl溶液中进行全浸泡实验,浸泡时间为0~400 h。浸泡结束后取出,用热风吹干,然后取中间20 mm×20 mm的部分进行表面形貌观察和电化学分析。

使用S-3400N扫描电镜 (SEM) 观察镀层腐蚀后的表面形貌,加速电压为15 kV。采用CHI660电化学工作站进行电化学测试。电化学测试采用标准的三电极系统,辅助电极为Pt电极,Pt电极尺寸为100 mm×100 mm;参比电极为饱和甘汞电极 (SCE);待测的镀层钢板样品为工作电极,尺寸为10 mm×10 mm。实验用3.5% (质量分数) NaCl溶液,实验温度为 (30±2) ℃。极化曲线的扫描速率为0.167 mV/s,扫描范围为-1.2 ~-0.6 V (vs SCE)。电化学阻抗 (EIS) 测量交流信号的幅值为10 mV,频率范围为105~10-2 Hz。开路电位的测量时间为300 s。

2 结果与讨论

2.1 表面形貌

图1为纯Zn镀层钢板浸泡25,125和300 h后的表面形貌。浸泡25 h后,纯Zn镀层表面大部分已经被腐蚀产物所覆盖。浸泡125 h后,腐蚀产物已经完全覆盖了纯Zn镀层表面,腐蚀产物呈颗粒状与片状的混合物。浸泡300 h后,纯Zn镀层表面的腐蚀产物从颗粒状完全转变为片状。从腐蚀产物数量和形貌均可看出,纯Zn镀层钢板在浸泡初期就产生了大量的腐蚀产物。

图1   纯Zn镀层浸泡不同时间后的表面形貌

Fig.1   Surface morphologies of pure zinc coating after immersion in 3.5%NaCl solution for 25 h (a), 125 h (b) and 300 h (c)

图2为Galfan镀层钢板浸泡25,125和300 h后的表面形貌。浸泡25 h后,Galfan镀层表面仅仅出现少量颗粒状的腐蚀产物。浸泡125 h后,Galfan镀层表面的腐蚀产物增多,腐蚀产物更加细密。而浸泡300 h后,Galfan镀层表面形貌与浸泡125 h时的差异不明显。

图2   Galfan镀层浸泡不同时间后的表面形貌

Fig.2   Surface morphologies of Galfan coating after immersion in 3.5%NaCl solution for 25 h (a), 125 h (b) and 300 h (c)

图3为Zn-Al-Mg镀层钢板浸泡25,125和300 h后的表面形貌。浸泡25 h后,表面只出现了少量腐蚀产物。浸泡125 h后,Zn-Al-Mg镀层表面局部区域被层片状腐蚀产物覆盖。浸泡300 h后,Zn-Al-Mg镀层表面形貌与浸泡125 h时的形貌差异不明显。可以推断,Zn-Al-Mg镀层钢板表面的腐蚀产物在浸泡初期生成速度较快,而在浸泡中后期则生长缓慢。

图3   Zn-Al-Mg镀层浸泡不同时间后的表面形貌

Fig.3   Surface morphologies of Zn-Al-Mg coating after immersion in 3.5%NaCl solution for 25 h (a), 125 h (b) and 300 h (c)

2.2 电化学分析结果

图4为Zn合金镀层钢板浸泡不同时间后的开路电位,其中Fe基体的开路电位为-0.575 V[22]。可以看出,当浸泡时间超过250 h后,纯Zn镀层钢板的开路电位显著升高;当浸泡到350 h后;开路电位高于Fe基体的开路电位,此时镀层已经被红锈覆盖。而对于Galfan镀层钢板和Zn-Al-Mg镀层钢板,浸泡时间超过350 h后开路电位才有明显升高,浸泡400 h后开路电位依然低于Fe基体的开路电位。

图4   Zn合金镀层的开路电位-浸泡时间曲线

Fig.4   Potential-time curves of Fe and three zinc alloy coatings in 3.5%NaCl solution

图5为3种Zn合金镀层钢板分别浸泡了25,125和300 h后的极化曲线。图6为3种镀层钢板浸泡不同时间后的电化学参数。浸泡25 h后,3种镀层钢板的自腐蚀电位Ecorr均接近-1.07 V。浸泡25 h后,3种镀层钢板的自腐蚀电流密度Icorr有显著差异,其中Zn-Al-Mg镀层钢板的自腐蚀电流密度Icorr最大,纯Zn镀层钢板的自腐蚀电流密度Icorr略小于Zn-Al-Mg镀层钢板的,而Galfan镀层钢板的自腐蚀电流密度Icorr最小,这表明在浸泡初期Galfan镀层具有最好的耐蚀性,而Zn-Al-Mg镀层钢板在浸泡初期的耐蚀性最差。浸泡125 h后,3种镀层钢板的自腐蚀电位均升高到约-1.05 V,与浸泡25 h相比变化幅度不大。浸泡125 h后,纯Zn镀层和Galfan镀层钢板的自腐蚀电流密度Icorr比浸泡25 h时的自腐蚀电流密度明显增大,而Zn-Al-Mg镀层钢板的自腐蚀电流密度Icorr反而降低,这可能是由于Zn-Al-Mg镀层的腐蚀产物降低了电子的传导速度[23,24]。当浸泡300 h后,纯Zn镀层钢板的自腐蚀电位提高到约-0.82 V,而其他两种镀层钢板的自腐蚀电位Ecorr提高到约-1.0 V,这表明浸泡300 h后纯Zn镀层钢板的表面镀层出现了明显破损。浸泡300 h后,3种镀层钢板的自腐蚀电流密度Icorr与浸泡125 h的自腐蚀电流密度Icorr相当,Galfan镀层钢板和Zn-Al-Mg镀层钢板的自腐蚀电流密度Icorr显著小于纯Zn镀层钢板的,分别只有纯Zn镀层钢板的37%和43%。

图5   3种Zn合金镀层钢板浸泡不同时间后的极化曲线

Fig.5   Polarization curves of the steel sheets with three zinc-alloy coatings after immersion in 3.5%NaCl solution for 25 h (a), 125 h (b) and 300 h (c)

图6   3种锌合金镀层钢板浸泡不同时间后的腐蚀电位Ecorr与腐蚀电流密度Icorr

Fig.6   Corrosion potential (a) and corrosion current density (b) of the steel sheets with three zinc-alloy coatings after immersion in 3.5%NaCl solution for different time

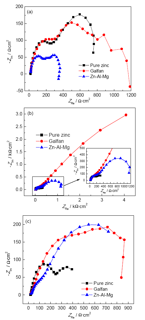
图7为3种锌合金镀层钢板浸泡25,125和300 h后的EIS。在浸泡初期,纯Zn镀层钢板的Nyquist图表现为典型的双容抗弧,这可能是由于纯Zn镀层表面有一层Al2O3膜,电化学反应同时发生在膜上和镀层上。对于Galfan镀层钢板,浸泡初期的Nyquist图表现为具有有限扩散特征的双容抗弧,高频段容抗弧半径与纯Zn镀层的相当,而低频段容抗弧半径更大,这可能与该镀层表面的Al2O3膜更厚有关。而Zn-Al-Mg镀层钢板在浸泡初期的双容抗弧的半径显著小于其他两种镀层钢板的,这表明Zn-Al-Mg镀层钢板在浸泡初期的耐蚀性较差,这与自腐蚀电流的测量结果吻合。随着浸泡时间延长到125 h,纯Zn镀层钢板的低频段容抗弧半径显著减小,而高频段容抗弧半径变化不大,这表明纯Zn镀层表面的Al2O3膜已经几乎完全被腐蚀掉。对于Galfan镀层钢板,浸泡125 h后的Nyquist图中表现为显著的Warburg阻抗,这表明腐蚀产物的产生速度显著超过了扩散速率,镀层表面的腐蚀速率较快。而Zn-Al-Mg镀层的阻抗谱表现为有限扩散特征的双容抗弧,低频段的容抗弧半径明显增大,这可能与表面的腐蚀产物具有较低的电子传导速度有关[23,24]。当浸泡时间达到300 h时,纯Zn镀层钢板的容抗弧半径进一步减小,Galfan镀层钢板与Zn-Al-Mg镀层钢板的容抗弧半径基本相当,均明显大于纯Zn镀层钢板的,这与自腐蚀电位的变化趋势吻合。

图7   3种Zn合金镀层钢板浸泡不同时间后的Nyquist曲线

Fig.7   Nyquist plots of the steel sheets with different zinc-alloy coatings after immersion in 3.5%NaCl solution for 25 h (a), 125 h (b) and 300 h (c)

3 结论

(1) 在3.5%NaCl溶液的全浸泡实验中,纯Zn镀层钢板的耐腐蚀性能最差,而Zn-Al-Mg镀层的耐腐蚀性能最好。

(2) 在浸泡初期,Zn-Al-Mg镀层钢板的自腐蚀电流密度最大;随着浸泡时间从25 h延长到300 h,Zn-Al-Mg镀层钢板的自腐蚀电流密度缓慢减小,而纯Zn镀层钢板和Galfan镀层钢板的自腐蚀电流密度均增大。

(3) Galfan镀层钢板的腐蚀行为呈现明显扩散特征,镀层表面的腐蚀速率较快;而Zn-Al-Mg镀层钢板的腐蚀行为表现为有限扩散特征的双电层腐蚀,表面腐蚀产物提高了镀层钢板的耐蚀性。

The authors have declared that no competing interests exist.


/