中国腐蚀与防护学报  2015 , 35 (6): 535-542 https://doi.org/10.11902/1005.4537.2014.216

研究报告

钙质层对Q235碳钢在含双眉藻f/2培养基中腐蚀行为的影响

汪江伟12, 张杰2, 陈守刚1, 段继周2, 侯保荣2

1. 中国海洋大学 材料科学与工程研究院 青岛 266100
2. 中国科学院海洋研究所 海洋环境腐蚀与生物污损重点实验室 青岛 266071

Influence of Calcareous Deposit on Corrosion Behavior of Q235 Carbon Steel in f/2 Culture Medium with Amphora

WANG Jiangwei12, ZHANG Jie2, CHEN Shougang1, DUAN Jizhou2, HOU Baorong2

1. College of Material Science and Engineering, Ocean University of China, Qingdao 266100, China
2. Key Laboratory of Marine Environmental Corrosion and Bio-fouling, Institute of Oceanology, Chinese Academy of Science, Qingdao 266071, China

中图分类号:  TG174.3

文献标识码:  A

文章编号:  1005-4537(2015)06-0535-08

通讯作者:  通讯作者:张杰,E-mail:zhangjie@qdio.ac.cn,研究方向为海洋生物污损腐蚀与阴极保护技术

版权声明:  2016 《中国腐蚀与防护学报》编辑部 《中国腐蚀与防护学报》编辑部

基金资助:  国家自然科学基金项目 (41376003 和41006054) 资助

作者简介:

作者简介:汪江伟,男,1987年生,硕士生

展开

摘要

对天然海水中Q235碳钢施加阴极保护沉积钙质层,并用XRD,SEM,FTIR和电化学手段对产物进行表征,同时研究有、无钙质层碳钢在含双眉藻的f/2培养液中的腐蚀行为。结果表明,电流密度为-30 µA/cm2时,沉积层结晶度高、表面平整。双眉藻及其代谢产物 (EPS) 在碳钢表面附着形成生物膜阻碍外界传质过程,但对O2的扩散阻碍效果不明显。钙质层可以促进生物膜附着,形成的复合结构膜对碳钢腐蚀有显著的抑制作用,且能够阻碍溶液中的O2向金属基体扩散。复合膜层下碳钢腐蚀经历以下过程:首先,溶液渗透到达金属表面引发腐蚀;随后腐蚀产物在沉积层下部积累使腐蚀速率减小;在最后阶段复合膜层脱落,腐蚀加快。

关键词: Q235碳钢 ; 钙质层 ; 双眉藻 ; 氧浓度 ; 腐蚀行为

Abstract

Calcareous deposit was formed on Q235 carbon steel surface in nature seawater by applying cathodic protection, afterwards, the corrosion test of the steel covered with and without calcareous deposit was carried out in f/2 culture medium containing Amphora. Then the morphology and chemical composition of corrosion products were characterized by means of XRD, SEM, FTIR and EIS. The result revealed that the calcareous deposit prepared by a current density of -30 µA/cm2 showed an even- and uniform-surface morphology composed of nice crystalline phase. The Amphora and its metabolite could adhere to the steel surface forming a biofilm, which could suppress the mass transfer of corrosive species from the medium to the steel surface to some extent, but not obviously that of the oxygen. Calcareous deposit was apt to combine with Amphora forming a composite film on the steel surface, which then could rather effectively suppress the migration of oxygen. The corrosion process of Q235 steel beneath the composite film can be described as the following three stages: as the corrosive media penetrated the composite film on to the steel surface, the steel is corroded leading to the formation of corrosion products, while, with which the combination of the existed biofilm, thus the composite film could act as barrier enabling the corrosion rate to be decreased to some extent; later as damages occurred within the composite film, thereby its protectiveness deteriorated, the corrosion rate of the steel increased again.

Keywords: Q235 carbon steel ; calcareous deposit ; amphora ; dissolved oxygen ; behavior of corrosion

0

PDF (998KB) 元数据 多维度评价 相关文章 收藏文章

本文引用格式 导出 EndNote Ris Bibtex

汪江伟, 张杰, 陈守刚, 段继周, 侯保荣. 钙质层对Q235碳钢在含双眉藻f/2培养基中腐蚀行为的影响[J]. , 2015, 35(6): 535-542 https://doi.org/10.11902/1005.4537.2014.216

WANG Jiangwei, ZHANG Jie, CHEN Shougang, DUAN Jizhou, HOU Baorong. Influence of Calcareous Deposit on Corrosion Behavior of Q235 Carbon Steel in f/2 Culture Medium with Amphora[J]. 中国腐蚀与防护学报, 2015, 35(6): 535-542 https://doi.org/10.11902/1005.4537.2014.216

1 前言

当前海洋工程中抑制金属材料腐蚀的常用方法是施加阴极保护。阴极保护使被保护金属的电位整体负移,避免不同相间发生原电池腐蚀同时在金属表面形成钙镁沉积层[1]。沉积层出现后可以抑制海水中氧扩散到钢表面,还能提高阴极保护效率[2]。关于沉积层的研究重点主要涉及外界因素对形成沉积层的影响,如阴离子和海洋淤泥等[3,4]。也有少数文章在人工海水中研究钙镁沉积层对金属腐蚀行为的影响[5]。然而实际海洋环境复杂多变,除上述诸因素,还有一个重要的因素就是海洋污损生物通过附着与代谢产物影响金属腐蚀的阴极或阳极过程。Sosa等[6]研究天然海水中微生物膜对碳钢腐蚀行为的影响,发现外层生物膜对腐蚀有抑制作用。Liu等[7]研究了不锈钢在含小球藻培养基中的腐蚀行为,揭示了光合作用O2含量变化和钢腐蚀的关系。Eashwar等[8]和Blackwood等[9]研究发现天然海水中生物光合作用可以促进钙质层的沉积。但关于底栖藻类生物在光合作用下对表面有钙质层保护的碳钢腐蚀行为影响研究鲜见相关报道。本文研究表面沉积钙质层的Q235碳钢在双眉藻环境下的腐蚀行为,选取的双眉藻是一种底栖藻类,能够通过分泌胞外聚合物 (EPS) 在适合的基体表面附着,是一种比较有代表性的微观污损生物[10,11]。通过考察钙质层与硅藻生物膜相互作用以及溶解氧浓度变化对碳钢腐蚀的影响,探寻污损生物附着与阴极保护钙质沉积层的相互作用机制,所涉及的领域更接近实际海洋环境,现实意义更加突出。

2 实验方法

2.1 试样制备

实验材料为Q235碳钢,其化学成分 (质量分数,%) 为:C 0.1,Mn 0.4,Si 0.12,S 0.02,P 0.05,Fe余量。根据实验需要,电化学测试试样加工成10 mm×10 mm大小,一端用铜导线焊接后,用环氧树脂密封在PVC管中,制作成工作电极,用砂纸打磨工作面至1000#,蒸馏水清洗后乙醇脱水、放入丙酮中超声清洗。经以上处理后放入干燥器备用。

沉积钙质层介质为取自青岛汇泉湾的过滤海水,pH值为8.1,氧溶解度为5.95 mg/L。在遵循阴极保护金属电位在-850~-1050 mV (vs SCE) 范围的准则同时,极化电流密度依次为-20,-30,-40,-50和-60 µA/cm2,整个装置为三电极体系,恒电位仪 (DJS-292E) 作为极化电源。沉积过程中每隔12 h更换新鲜海水,在实验室敞开环境下沉积72 h后取出用蒸馏水冲洗表面,用N2干燥。

2.2 双眉藻培养与滤液取得

双眉藻种来至中国海洋大学藻种库,已经过DNA测序鉴定为纯种。将处在对数生长期的硅藻溶液按5:100的体积比接种到实验体系内,GXZ型智能光照培养箱 (宁波东南仪器) 培养,温度设定23 ℃、光照与黑暗时间比为12:12。f/2培养基由3部分组成:母液 (陈海水 1 L,NaNO3 74.8 mg/L,NaH2PO4 4.4 mg/L,NaSiO3·9H2O 13 mg/L)、微量元素 (ZnSO44H2O 23 µg/L,MnCl4·4H2O 178 µg/L,CuSO4·5H2O 10 µg/L,FeC6H5O7·5H2O 3.9 µg/L,Na2MoO4 7.3 µg/L,CaCl2·6H2O 12 µg/L,Na2EDTA 4.35 µg/L)、维生素 (Vitamin B12 0.5 µg/L,Vitamin B1 100 µg/L,Thiamine HCl 0.5 µg/L)。母液需要在灭菌锅内121 ℃保温30 min,其余溶液用孔径为0.22 µm的滤膜过滤除去其他微生物,实验所用的硅藻滤液也是用孔径为0.22 µm的滤膜过滤培养9 d (平台期) 的培养液所得。整个实验需要无菌环境时都是在超净工作台中完成的。

2.3 溶氧量与电化学测量

在培养箱每次光照开始或结束时测双眉藻培养基中O2的含量,测量所用仪器为便携式SG6型溶氧仪 (Mettler-Toledo Instruments)。同一时间点用电压表 (PHS-3C precision pH/mV Meter) 测试样的开路电位。体系的电化学阻抗谱 (EIS) 测试仪器为PARSTAT 2273电化学工作站,三电极装置的参比和对电极分别是KCl饱和甘汞电极和Pt片,测量频率:105~10-2 Hz,交流激励信号:10 mV,测量时间选在从黑暗进入光照3 h后。

2.4 产物形貌及组分表征

使用SEM (JSM-5600LV,加速电压25 kV) 观察试样表面生物膜形貌之前,试样需要经过以下处理:

磷酸盐缓冲液 (PBS) 冲洗表面,使用5%戊二醛溶液固定,然后依次用50%,60%,80%,90%和100%乙醇溶液逐级脱水。

使用Thermo Scientific Nicolet 8700型Fourier转换红外光谱仪 (FTIR) 检测试样表面附着的有机物质,测试前用N2把在培养基中浸泡的试样吹干,并干燥充分。FTIR分辨率为4 cm-1,测量波数范围为550~4000 cm-1

使用X射线衍射仪 (XRD, Ultima IV) 表征钙质层晶体结构,利用X射线能谱仪 (EDX,OXFord INCA8128) 表征钙质层的元素组成,在测试前需要用蒸馏水充分溶解掉钙质层表面附着的无机盐。

3 结果与讨论

3.1 钙质层制备与表征

经N2完全干燥后的钙质层随着电流密度的升高,由灰色变为白色,沉积层厚度增大,硬度减小。选取外观颜色、膜层粗糙度差别较大的试样分别用SEM,XRD和EDX进行表征。

图1所示为Q235碳钢在天然海水中电流密度分别为-60和-30 µA/cm2极化72 h后形成沉积层的XRD谱。图2为相应沉积层的形貌和EDX结果。从图中可以看出,电流密度为-60 µA/cm2时沉积出的钙质层成分主要为Mg(OH)2,晶粒粒径较小,表面粗糙。电流密度为-30 µA/cm2时获得的钙质层主要成分为CaCO3并夹有少量的Mg(OH)2,结晶度好,表面平整。考虑沉积层厚度、致密度等因素,后续实验选择在电流密度为-30 µA/cm2条件下沉积制备的沉积层。

图1   天然海水中不同极化电流密度下沉积72 h后钙质层的XRD谱

Fig.1   XRD spectra of the calcareous deposit formed in natural seawater after 72 h immersion at the current density of -60 µA/cm2 (a) and -30 µA/cm2 (b)

图2   天然海水中不同极化电流密度下沉积72 h后获得的沉积层形貌和EDX结果

Fig.2   Surface images of calcareous deposit formed in seawater after immersion at -60 µA/cm2 (a) and-30 µA/cm2 (b) for 72 h and EDX results of areas I in Fig.2a (c) and II in Fig.2b (d)

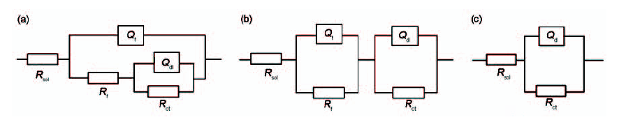
3.2 电化学测试

3.2.1 EIS谱 图3和4为在开路条件下测得各体系中试样的EIS谱以及对应体系的等效模拟电路。其中,Rsol为溶液电阻,Rf为膜层电阻,Rct为电荷传递电阻,Qf为生物膜层对应常相位角元件,Qdl为双电层常相位角元件。用ZSimpWin软件并按图中所列模拟电路图对各体系的EIS谱进行拟合,结果见表1~4。图3a1和a2为沉积钙质层的Q235碳钢在含双眉藻f/2培养基中浸泡不同时间的阻抗谱。表1为按图4a模拟电路拟合得到的电化学参数。相位角图显示有两个时间常数,对应电极过程的两个界面,即金属基体/溶液界面和沉积层/溶液界面[12,13]。浸泡1 d后,金属表面Rct较大,这是由于CaCO3和Mg(OH)2形成的沉积层紧密地附着在金属表面,阻碍界面间电荷转移。从第3 d开始,腐蚀速率开始逐渐变大,是因为有溶液渗透沉积层到达金属基底使腐蚀变的容易。第9 d后,随着双眉藻生长达到平台期,生物数量和代谢产物大量积累并形成生物膜,该生物膜与腐蚀产物膜进一步复合,形成一种复杂的膜层,阻碍了腐蚀介质与金属的进一步接触,抑制了腐蚀的发生,使腐蚀速率逐渐减小。实验过程中,体系Rf逐渐增大,这是因为双眉藻和代谢产物在沉积层表面附着形成了复杂的复合膜层[14]。随着实验周期的延长,到第15 d后,RctRf都开始逐渐降低,这是因为表面生成的复合膜层逐渐脱落,腐蚀速率开始增加。图3b1和b2为Q235碳钢在含双眉藻f/2培养基中浸泡不同时间的EIS谱。表2为按图4b模拟电路拟合得到的电化学参数。相位角图显示的两个时间常数分别是金属基体和溶液界面、生物膜与溶液界面在电极过程的反映,在前5 d,Rct逐渐下降,腐蚀速率升高。由于溶液中O2含量增加,氧去极化作用使生物膜抑制腐蚀的效果减弱[12]

表1   表面沉积钙质层的Q235碳钢在含双眉藻培养基中浸泡不同时间后的电化学拟合参数

Table 1   Fitting electrochemical parameters of carbon steel with calcareous deposit after immersion in f/2 culture medium containing Amphora for different time

Immerse timeRsolCPEfRfCPEdlRct
dΩ·cm2Yf / Ω-1cm-2sn10-6nfΩ·cm2Ydl / Ω-1cm-2sn10-6ndlΩ·cm2
111.71600.861984700.85598
312.72700.829215800.82295
511.43400.6710056100.61654
912.54600.5312494800.681890
12125000.5714285000.742140
159.925000.812387000.81257

新窗口打开

表2   Q235碳钢在含双眉藻培养基中浸泡不同时间后的电化学拟合参数

Table 2   Fitting electrochemical parameters of carbon steel without calcareous deposit after immersion in f/2 culture medium containing Amphora for different time

Immerse timeRsolCPEfRfCPEdlRct
dΩ·cm2Yf / Ω-1cm-2sn10-6nfΩ·cm2Ydl / Ω-1cm-2sn10-6ndlΩ·cm2
19.42100.82221000.533114
36.55800.942924000.632270
57.610000.893633000.671585
96.413000.892740000.691298
126.916000.892347000.721013
156.323000.853951000.79988

新窗口打开

表3   表面沉积钙质层的Q235碳钢在含双眉藻培养基滤液体系中浸泡不同时间后的电化学拟合参数

Table 3   Fitting electrochemical parameters of carbon steel with calcareous deposit after immersion in filtrate of f/2 culture medium containing Amphora for different time

Immerse timeRsolCPEfRfCPEdlRct
dΩ·cm2Yf / Ω-1cm-2sn10-6nfΩ·cm2Ydl / Ω-1cm-2sn10-6ndlΩ·cm2
1191500.9821136000.83023
319640.9621230000.82243
518.861.0.9618528000.642221
920680.9712830000.722633
12142000.9917743000.92128
1515.740000.9820142000.82116

新窗口打开

图3   Q235碳钢在不同环境下浸泡后的Nyquist和Bode图

Fig.3   Nyquist (a1~d1) and Bode (a2~d2) plots of samples immersed for different time: (a) with calcareous deposit in f/2 culture medium containing Amphora, (b) without calcareous deposit in f/2 culture medium containing Amphora, (c) with calcareous deposit in the filtrate of f/2 culture medium containing Amphora, (d) without calcareous deposit in sterile culture medium

图4   阻抗数据拟合等效电路模型

Fig.4   Equivalent circuit models (a~c) for fitting the impedance date of samples: (a) with calcareous deposit in f/2 culture medium containing Amphora or the filtrate of f/2 culture medium containing Amphora, (b) without calcareous deposit in f/2 culture medium containing Amphora, (c) without calcareous deposit in sterile culture medium

用孔径为0.22 µm的滤膜过滤培养到第9 d的双眉藻培养液,作为有钙质层碳钢的电解液。图3c1和c2为沉积钙质层Q235碳钢在含双眉藻f/2培养基中浸泡不同时间的阻抗谱图。表3为按图4a模拟电路拟合得到的电化学参数。相位角存在明显的两个峰,说明电极过程存在沉积层和溶液界面。膜层电阻 (Rf) 比有双眉藻体系的小很多,这是由于沉积层对金属腐蚀的抑制作用没有沉积层和有机生物膜构成复合膜的有效。从第5~9 d电极腐蚀速率降低是由于沉积层下面基体的腐蚀产物积累,阻碍了传质过程。图3d1和d2为Q235碳钢在灭菌海水中浸泡不同时间的阻抗谱图。表4为按图4c模拟电路拟合得到的电化学参数。对比无沉积层有双眉藻体系,该体系中试样腐蚀速率维持在相对稳定的状态,这是由于溶液中氧含量较低,抑制了金属基体的腐蚀。

表4   Q235碳钢在灭菌海水中浸泡不同时间后的电化学拟合参数

Table 4   Fitting electrochemical parameters of carbon steel without calcareous deposit after immersion in sterile culture mediumfor different time

Immerse timeRsolCPEdlRct
dΩ·cm2Ydl / Ω-1cm-2·sn10-6ndlΩ·cm2
16.46200.81882
38.56500.951904
55.56900.941832
98.68100.921662
127.810000.931364
157.710000.891555

新窗口打开

3.2.2 开路电位和氧浓度测试 图5为在光照12 h和无光照12 h循环条件下培养基中氧浓度和试样开路电位变化趋势。培养基经高温灭菌后氧含量降低,光照环境下双眉藻的光合和呼吸作用同时进行,光合作用产生氧大于呼吸消耗,溶液中氧含量升高。黑暗环境下只有呼吸消耗,溶液中氧含量下降。溶液中硅藻个体不断增多,氧浓度也随之升高。到第9d,硅藻生长达到平台期,硅藻数量不变,体系中氧浓度达到平衡。如图所示,无沉积层试样的开路电位和溶液氧浓度变化呈现一致的趋势,即在氧含量高时开路电位负移,反之出现正移。该现象表明溶液中的氧可以在浓度梯度作用下通过生物膜到达金属表面使金属出现氧去极化。相反,实验初期有沉积层碳钢试样开路电位对溶液中氧含量不够敏感,说明沉积层和生物膜形成了复杂复合膜可以有效抑制O在浓度梯度下的扩散。从第10 d开始,开路电位开始受溶液中氧浓度变化影响,这是因为此时膜层下部腐蚀产物膨胀引起膜层破损[15],溶液中O可以在浓度梯度下自由扩散。

图5   含双眉藻f/2培养基体系在12 h光照和12 h黑暗交替环境下,有/无沉积钙质层碳钢的开路电位和氧含量随培养时间的变化趋势

Fig.5   Time dependences of EOCP for carbon steel with and without calcareous deposit and dissolved oxygen tin f/2 culture medium containing Amphora under a 12:12 light-dark regime

3.3 表面形貌和产物表征

3.3.1 表面膜层有机物的FTIR检测 图6a为沉积钙质层碳钢在含双眉藻培养基中浸泡3 d后表面膜层的FTIR谱。红外谱上3400 cm-1附近的吸收峰是由酰胺 (N—H) 键形成的;1600 cm-1附近吸收峰是C=O和N=C键伸缩振动的标志;1400 cm-1附近吸收峰是羧基中—COO—键伸缩振动形成的[16,17],图6a中曲线A在此处的峰对应碳酸根 (—OCOO—) 的伸缩震动,曲线B在此处的峰更明显是由于表面有有机物附着。图6b为碳钢试样在含双眉藻f/2培养基中浸泡3 d后表面物质的FTIR图,和图6a相似,吸收峰出现在相同的波数下,只是峰强度略有差异。上述有机官能团的存在说明双眉藻是通过分泌糖蛋白和多糖类胞外聚合物 (EPS) 在试样表面附着,形成生物膜能够抑制金属腐蚀。图6a和b在1050 cm-1附近的吸收峰是γ-FeOOH的特征吸收峰[18],说明膜层下面金属出现腐蚀迹象。无沉积层碳钢对应图谱吸收峰更明显,说明γ-FeOOH在其表面含量较高。

图6   在双眉藻培养基中浸泡3 d后表面产物的FTIR谱

Fig.6   FTIR patterns of the product films of samples with (a) and without (b) calcareous deposit after immersionin medium with Amphora for 3 d

3.3.2 表面膜层形貌 图7为试样在含双眉藻f/2培养基中浸泡9 d后的SEM像。可见,有沉积层碳钢的表面有生物膜出现,并有大量活体硅藻附着;图7b中无沉积层试样的表面有皲裂的生物膜存在。相比有沉积层试样表面,无沉积层生物膜层较薄,是因为构成生物膜的物质主要是硅藻分泌的糖蛋白、多糖类有机物质[19],更容易和亲水性的沉积层结合[14],形成钙质层和生物膜构成的复合膜层能够阻碍O在浓度梯度下的扩散,抑制腐蚀发生。

图7   有、无沉积层试样在含双眉藻培养基中浸泡9 d后表面膜层的SEM像

Fig.7   SEM surface images of samples with (a) and without (b) calcareous deposit after immersion in medium with Amphora for 9 d

4 结论

(1) 对天然海水中浸泡的碳钢在-30 µA/cm2电流下极化72 h,沉积出的钙质层的主要成分是CaCO3,结晶度好、表面平整。

(2) 碳钢在含双眉藻培养基中腐蚀速率高,开路电位对溶液中氧浓度变化敏感,说明光合作用生物膜可以产生O2引起金属的氧去极化反应,加速金属腐蚀。

(3) 对比有、无沉积层碳钢在含双眉藻f/2培养基中的腐蚀行为,表明钙质层可以促进生物膜附着,在基体表面出现沉积层和生物膜组成的复合膜可以阻碍从溶液到金属基体的传质过程,抑制金属腐蚀。

(4) 沉积层和生物膜构成的复合膜层下金属出现缓慢的腐蚀过程:首先,复合膜层外部溶液渗透到达金属表面引发腐蚀;随着腐蚀产物和双眉藻生物膜的不断积累,腐蚀速率减小;最后,金属表面的混合膜层脱落,金属腐蚀加速。

The authors have declared that no competing interests exist.


/